⭐ 欢迎来到虫虫下载站! | 📦 资源下载 📁 资源专辑 ℹ️ 关于我们
⭐ 虫虫下载站
🔐 登录 📝 注册
虫虫下载站
虫虫下载站
专业电子工程师资源平台
📤 上传资源
  • 🏠 首页
  • 📦 资源下载
  • 📁 资源专辑
  • 🔧 热门软件
  • ⭐ 精品资源
  • 🎓 基础知识
  • 📐 电路图
  • 📚 电子书
  • 🔢 在线计算器
  • 🔍 代码搜索
🏠 首页 › 📐 电路图 › 检测电路

📐 检测电路

📊 共 416 个电路图 🎨 设计参考
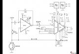
由ISO102与OPA27构成的测量500VDV直流电机电流的电路电路图

由ISO102与OPA27构成的测量500VDV直流电机电流的电路

📅 01-01 查看 →
INA166的信号和电源的基本连接电路电路图

INA166的信号和电源的基本连接电路

📅 01-01 查看 →
INA166增加输出电流的缓冲电路电路图

INA166增加输出电流的缓冲电路

📅 01-01 查看 →
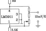
由LM3911单片温度控制集成电路构成的温度过热检测报警电路电路图

由LM3911单片温度控制集成电路构成的温度过热检测报警电路

📅 01-01 查看 →
蔬菜大棚湿度检测、自动通风伴蟋蟀报叫电路电路图

蔬菜大棚湿度检测、自动通风伴蟋蟀报叫电路

📅 01-01 查看 →
库房湿度检测及自动通风排气装置电路(MS01-A)电路图

库房湿度检测及自动通风排气装置电路(MS01-A)

📅 01-01 查看 →
温度上限动物呜叫告警及自动通风降温控制电路电路图

温度上限动物呜叫告警及自动通风降温控制电路

📅 01-01 查看 →
暖房花卉育苗湿度控制伴鸟鸣报叫电路(MS01-B)电路图

暖房花卉育苗湿度控制伴鸟鸣报叫电路(MS01-B)

📅 01-01 查看 →
温度窗口超限告警电路(MAX6502/4)电路图

温度窗口超限告警电路(MAX6502/4)

📅 01-01 查看 →
一种湿度频率音频译码式湿度检测、自动排气通风伴蛙鸣报叫电路电路图

一种湿度频率音频译码式湿度检测、自动排气通风伴蛙鸣报叫电路

📅 01-01 查看 →
热敏电阻温控制冷鸟鸣发声电路电路图

热敏电阻温控制冷鸟鸣发声电路

📅 01-01 查看 →
交流电源过、欠电压检测电路(CD4013)电路图

交流电源过、欠电压检测电路(CD4013)

📅 01-01 查看 →
水满报警电路(CD4011)电路图

水满报警电路(CD4011)

📅 01-01 查看 →
司机酒精检测报警控制器电路图

司机酒精检测报警控制器

📅 01-01 查看 →
下限温度蛙鸣报叫及自动加温控制电路电路图

下限温度蛙鸣报叫及自动加温控制电路

📅 01-01 查看 →
文物堂(馆)防金属物携入语言告戒电路电路图

文物堂(馆)防金属物携入语言告戒电路

📅 01-01 查看 →
燃气灶安全阀控制及语言告警电路电路图

燃气灶安全阀控制及语言告警电路

📅 01-01 查看 →
家禽畜舍恒温控制及乐曲发声电路电路图

家禽畜舍恒温控制及乐曲发声电路

📅 01-01 查看 →
芽菜温室恒温控制及蟋蟀发声报叫电路电路图

芽菜温室恒温控制及蟋蟀发声报叫电路

📅 01-01 查看 →
煤气泄漏自动语言报叫电路电路图

煤气泄漏自动语言报叫电路

📅 01-01 查看 →
家用可燃气体泄漏自动通风及发声报警电路电路图

家用可燃气体泄漏自动通风及发声报警电路

📅 01-01 查看 →
珍兽馆舍超温自动喷水降温装置电路电路图

珍兽馆舍超温自动喷水降温装置电路

📅 01-01 查看 →
由CGS-H型陶瓷湿度传感器构成的低湿度检测电路图电路图

由CGS-H型陶瓷湿度传感器构成的低湿度检测电路图

📅 01-01 查看 →
双向可控硅液位控制电路电路图

双向可控硅液位控制电路

📅 01-01 查看 →
能检测热电偶开路故障的电路(隔离式热电偶冷端温度补偿及信号电路图

能检测热电偶开路故障的电路(隔离式热电偶冷端温度补偿及信号

📅 01-01 查看 →
由光电型烟雾检测报警集成电路MC145010构成的烟雾报警电路电路图

由光电型烟雾检测报警集成电路MC145010构成的烟雾报警电路

📅 01-01 查看 →
由离子型烟雾检测报警集成电路MC14468构成的烟雾检测报警电路电路图

由离子型烟雾检测报警集成电路MC14468构成的烟雾检测报警电路

📅 01-01 查看 →
由角度传感器信号调理器UZZ9000和磁阻式传感器KMZ41构成的电压输电路图

由角度传感器信号调理器UZZ9000和磁阻式传感器KMZ41构成的电压输

📅 01-01 查看 →
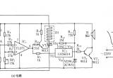
温度检测电路(智能化超声波测距专用集成电路SB5527)电路图

温度检测电路(智能化超声波测距专用集成电路SB5527)

📅 01-01 查看 →
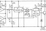
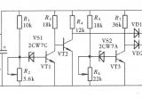
脉冲频率检测电路电路图

脉冲频率检测电路

📅 01-01 查看 →
  • 首页
  • « 上一页
  • 1
  • 2
  • 3
  • 4
  • 5
  • 6
  • 7
  • 8
  • 9
  • 10
  • 下一页 »
  • 末页
🔐 用户登录
加载中...

加载登录表单中...

🎁 免费注册送10积分
加载中...

加载注册表单中...

🔑 找回密码
加载中...

加载表单中...

🔐 需要登录
🔒

登录后即可使用!

🎁 新用户注册立即送10积分
积分可用于下载资源,免费获取优质技术资料
🚪 退出登录
👋

确认要退出登录吗?

退出后需要重新登录才能下载资源

关于虫虫

虫虫下载站是专业的电子工程师资源分享平台,汇聚 622,478+ 优质资源,为工程师提供免费、专业的技术资料。

🌐

快速链接

  • 📦 资源下载
  • 📁 资源专辑
  • 📐 电路图库
  • 📚 电子书籍
  • 🧮 在线计算器

帮助中心

  • 📋 服务条款
  • ℹ️ 关于我们
  • ⚠️ 免责声明
  • 🗺️ 网站地图

联系我们

扫码关注我们

虫虫下载站二维码

虫虫小帮手

© 2011-2025 虫虫下载站 - 专业的电子工程师资源分享平台 | 让技术资源触手可及

京ICP备2021023401号-1