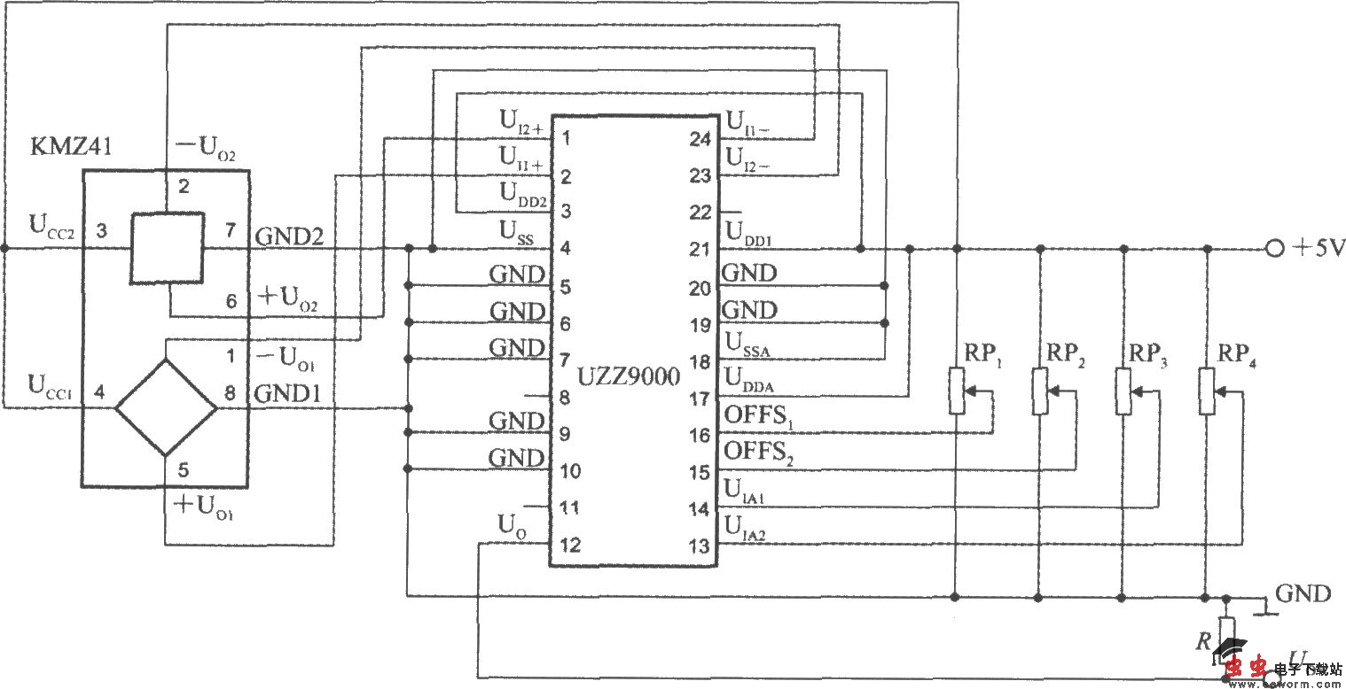
由角度传感器信号调理器UZZ9000和磁阻式传感器KMZ41构成的电压输

📅 发布时间:2013-10-01 18:20 👁️ 浏览:0 🏷️ 标签: 9000 UZZ KMZ 41

由角度传感器信号调理器UZZ9000和磁阻式传感器KMZ41构成的电压输

由UZZ9000和KMZ41构成的电压输出式角度检测电路如图所示,它采用 5V电源,RP1~RP2为失调电压调节电位器,RP3~RP4为增益调节电位器。R为输出端的下拉电阻。输出电压可送至数字电压表,显示出被测角度值。

觉得这篇文章有帮助吗?