⭐ 欢迎来到虫虫下载站! | 📦 资源下载 📁 资源专辑 ℹ️ 关于我们
⭐ 虫虫下载站
🔐 登录 📝 注册
虫虫下载站
虫虫下载站
专业电子工程师资源平台
📤 上传资源
  • 🏠 首页
  • 📦 资源下载
  • 📁 资源专辑
  • 🔧 热门软件
  • ⭐ 精品资源
  • 🎓 基础知识
  • 📐 电路图
  • 📚 电子书
  • 🔢 在线计算器
  • 🔍 代码搜索
🏠 首页 › 📐 电路图 › 通信电路

📐 通信电路

📊 共 163 个电路图 🎨 设计参考
一种结构简单性能优良的AGC电路电路图

一种结构简单性能优良的AGC电路

📅 01-01 查看 →
由4~20mA电流环输出式数模转换器AD421构成的4~20mA智能变送器电路图

由4~20mA电流环输出式数模转换器AD421构成的4~20mA智能变送器

📅 01-01 查看 →
激光峡谷对讲机电路电路图

激光峡谷对讲机电路

📅 01-01 查看 →
激光通信演示装置电路图

激光通信演示装置

📅 01-01 查看 →
光通信接收电路电路图

光通信接收电路

📅 01-01 查看 →
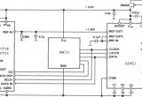
基于μPC2749TB的GPS接收机LNA电路电路图

基于μPC2749TB的GPS接收机LNA电路

📅 01-01 查看 →
TR3001 00K/ASK 315 MHz收发器电路图

TR3001 00K/ASK 315 MHz收发器

📅 01-01 查看 →
DR3101 00K/ASK 315 MHz收发器电路图

DR3101 00K/ASK 315 MHz收发器

📅 01-01 查看 →
TRl000/TRl004 00K/ASK 916.50/914.00 MHz收发器电路图

TRl000/TRl004 00K/ASK 916.50/914.00 MHz收发器

📅 01-01 查看 →
TRll00 ASK 916.50 MHz收发器电路图

TRll00 ASK 916.50 MHz收发器

📅 01-01 查看 →
TR3003 00K/ASK 304.025~303.625 MHz收发器电路图

TR3003 00K/ASK 304.025~303.625 MHz收发器

📅 01-01 查看 →
TR3000/TR300200K/ASK 433.92/418.00 MHz收发器电路图

TR3000/TR300200K/ASK 433.92/418.00 MHz收发器

📅 01-01 查看 →
TR3100 ASK 433.92 MHz收发器电路图

TR3100 ASK 433.92 MHz收发器

📅 01-01 查看 →
DR3001 00K 868.35 MHz收发器电路图

DR3001 00K 868.35 MHz收发器

📅 01-01 查看 →
TRl001 00K/ASK 868.35 MHz收发器电路图

TRl001 00K/ASK 868.35 MHz收发器

📅 01-01 查看 →
WE904/WE905 FM/FSK l~0.1 GHz收发器电路图

WE904/WE905 FM/FSK l~0.1 GHz收发器

📅 01-01 查看 →
UAA3545 DECT 1930~1880 MHz收发器电路图

UAA3545 DECT 1930~1880 MHz收发器

📅 01-01 查看 →
SA2421 2.45 GHz低电压RF收发器电路图

SA2421 2.45 GHz低电压RF收发器

📅 01-01 查看 →
RF2948B QPSK 2.4 GHz扩频收发器电路图

RF2948B QPSK 2.4 GHz扩频收发器

📅 01-01 查看 →
RFW302 ASK 2.4 GHz收发器模块电路图

RFW302 ASK 2.4 GHz收发器模块

📅 01-01 查看 →
RF2938 QPSK 2.4 GHz扩频收发器电路图

RF2938 QPSK 2.4 GHz扩频收发器

📅 01-01 查看 →
ETl3X220 FM/FSK 27 MHz 发射器电路图

ETl3X220 FM/FSK 27 MHz 发射器

📅 01-01 查看 →
LMX3162 2.45 GHz无线收发器电路图

LMX3162 2.45 GHz无线收发器

📅 01-01 查看 →

UAA2067G I/Q l900~1800 MHz收发器

📅 01-01 查看 →
TXl00 ASK l GHz~100 MHz发射器模块电路图

TXl00 ASK l GHz~100 MHz发射器模块

📅 01-01 查看 →
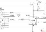
TX500 ASK l GHz~100 MHz发射器模块电路图

TX500 ASK l GHz~100 MHz发射器模块

📅 01-01 查看 →
MCl3175/MCl3176 FM/AM 928~902 MHz/470~260 MHz发射器电路图

MCl3175/MCl3176 FM/AM 928~902 MHz/470~260 MHz发射器

📅 01-01 查看 →
RX600400K/ASK 914.00 MHz接收器电路图

RX600400K/ASK 914.00 MHz接收器

📅 01-01 查看 →

RF2908 915 MHz直接序列扩频接收器

📅 01-01 查看 →
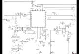
TQ5638 KPCS CDMA/GPS 2090 ~ 1620 MHz双模式接收器电路图

TQ5638 KPCS CDMA/GPS 2090 ~ 1620 MHz双模式接收器

📅 01-01 查看 →
  • 1
  • 2
  • 3
  • 4
  • 5
  • 6
  • 下一页 »
  • 末页
🔐 用户登录
加载中...

加载登录表单中...

🎁 免费注册送10积分
加载中...

加载注册表单中...

🔑 找回密码
加载中...

加载表单中...

🔐 需要登录
🔒

登录后即可使用!

🎁 新用户注册立即送10积分
积分可用于下载资源,免费获取优质技术资料
🚪 退出登录
👋

确认要退出登录吗?

退出后需要重新登录才能下载资源

关于虫虫

虫虫下载站是专业的电子工程师资源分享平台,汇聚 622,478+ 优质资源,为工程师提供免费、专业的技术资料。

🌐

快速链接

  • 📦 资源下载
  • 📁 资源专辑
  • 📐 电路图库
  • 📚 电子书籍
  • 🧮 在线计算器

帮助中心

  • 📋 服务条款
  • ℹ️ 关于我们
  • ⚠️ 免责声明
  • 🗺️ 网站地图

联系我们

扫码关注我们

虫虫下载站二维码

虫虫小帮手

© 2011-2025 虫虫下载站 - 专业的电子工程师资源分享平台 | 让技术资源触手可及

京ICP备2021023401号-1