RF2948B QPSK 2.4 GHz扩频收发器

📅 发布时间:2013-09-29 18:25 👁️ 浏览:2 🏷️ 标签: 2948B 2948 QPSK 2.4

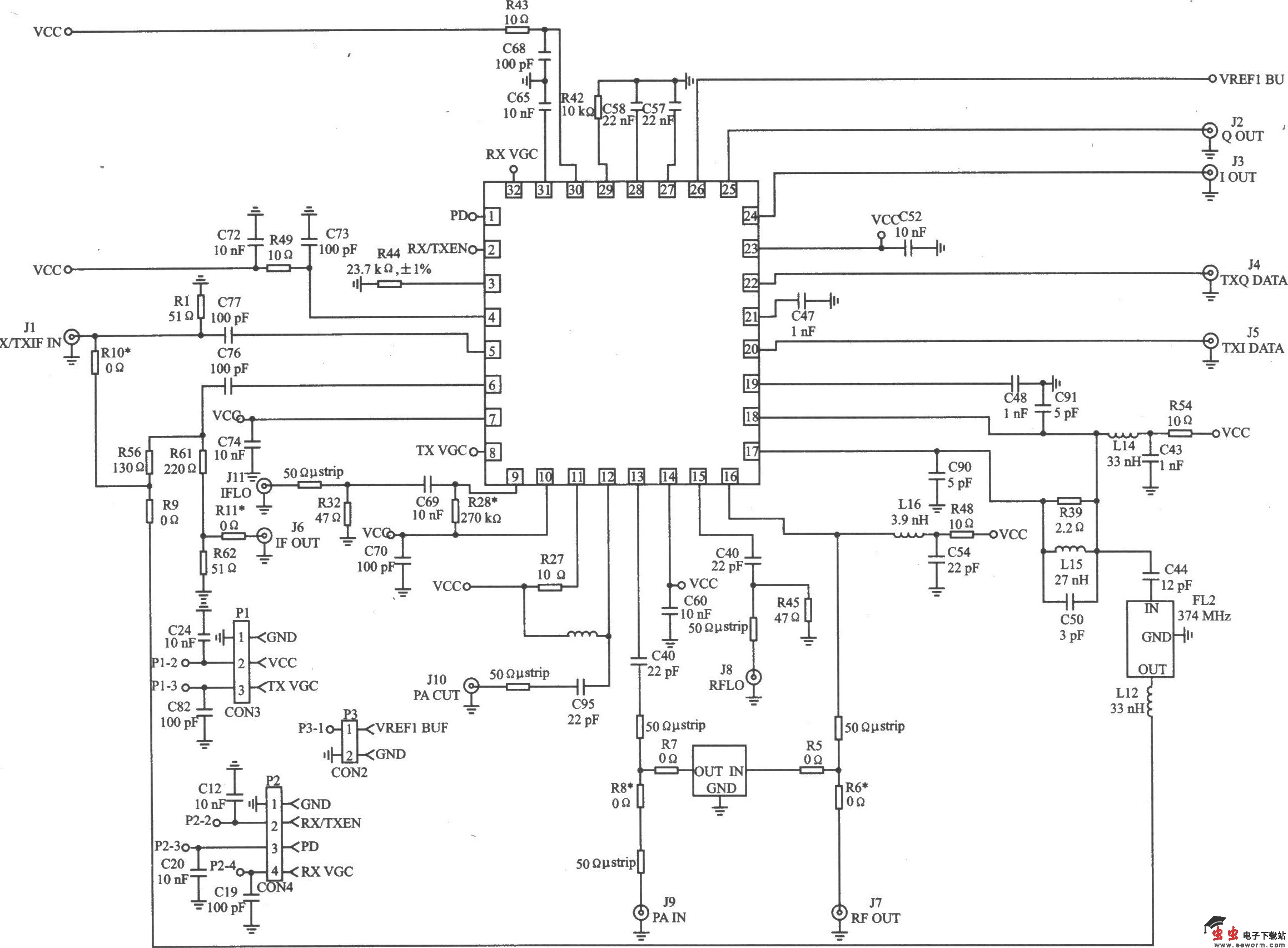
RF2948B是为工作在2.4 GHz ISM频带的直接序列扩频系统而设计的收发器,适合在IEEE 802.1lb WLAN、高速数字链接、无线家居网关、安全通信链接、无线安全系统和数字无绳电话中应用。 。 主要技术特点如下: ·45~500 MHz中频正交解调器; ·片内有可编程的基带滤波器; ·提供QPSK调制器和上变频器; ·电源电压为2.7~3.6 V。

 

RF2948B的应用电路

觉得这篇文章有帮助吗?