RF2908 915 MHz直接序列扩频接收器

📅 发布时间:2013-09-29 07:00 👁️ 浏览:3 🏷️ 标签: 2908 915 MHz RF

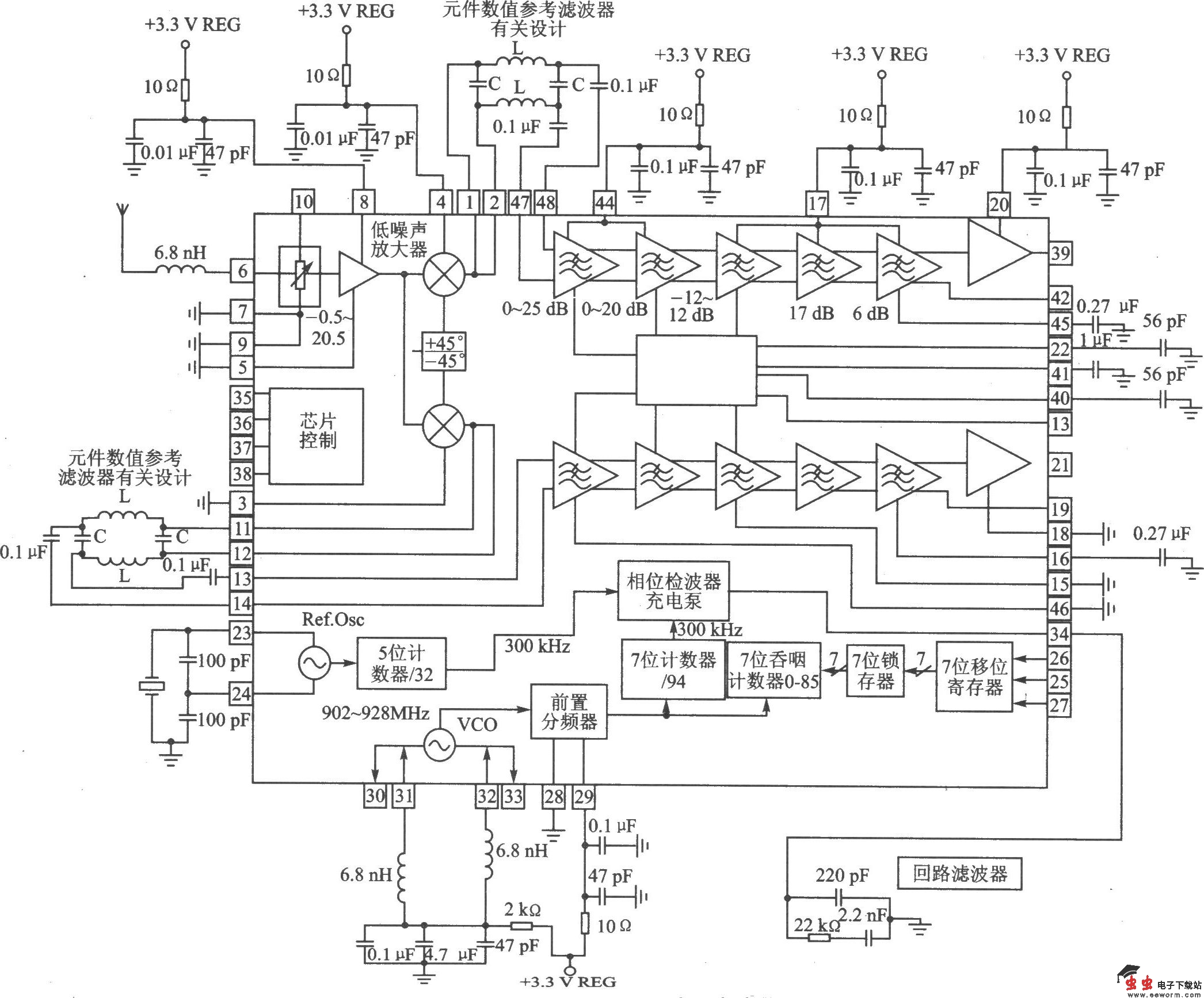
RF2908是专门为工作在ISM频段而设计的直接序列扩频(Direct-Sequence Spead-Spectrum)单片接收器,其符合FCC Part l5.247.标准,适合数字无绳电话、保密通信链接、无线局域网、货物跟踪和便携电池供电的移动设备等领域应用。 主要技术特点如下: ·工作频率为902~928 MHz; ·接收灵敏度为-l00 dBm; ·正交解调器; ·工作电源为2.7~3.6 V; ·工作电流为62 mA,待机模式电流为50μA; ·片内可编程86信道PLL频率合成器、基带滤波器和双数字比较器; ·片内可选择中频带宽、带增益控制和信号强度指示器的双中频放大器。

 

RF2908的 915 MHz应用电路图

 

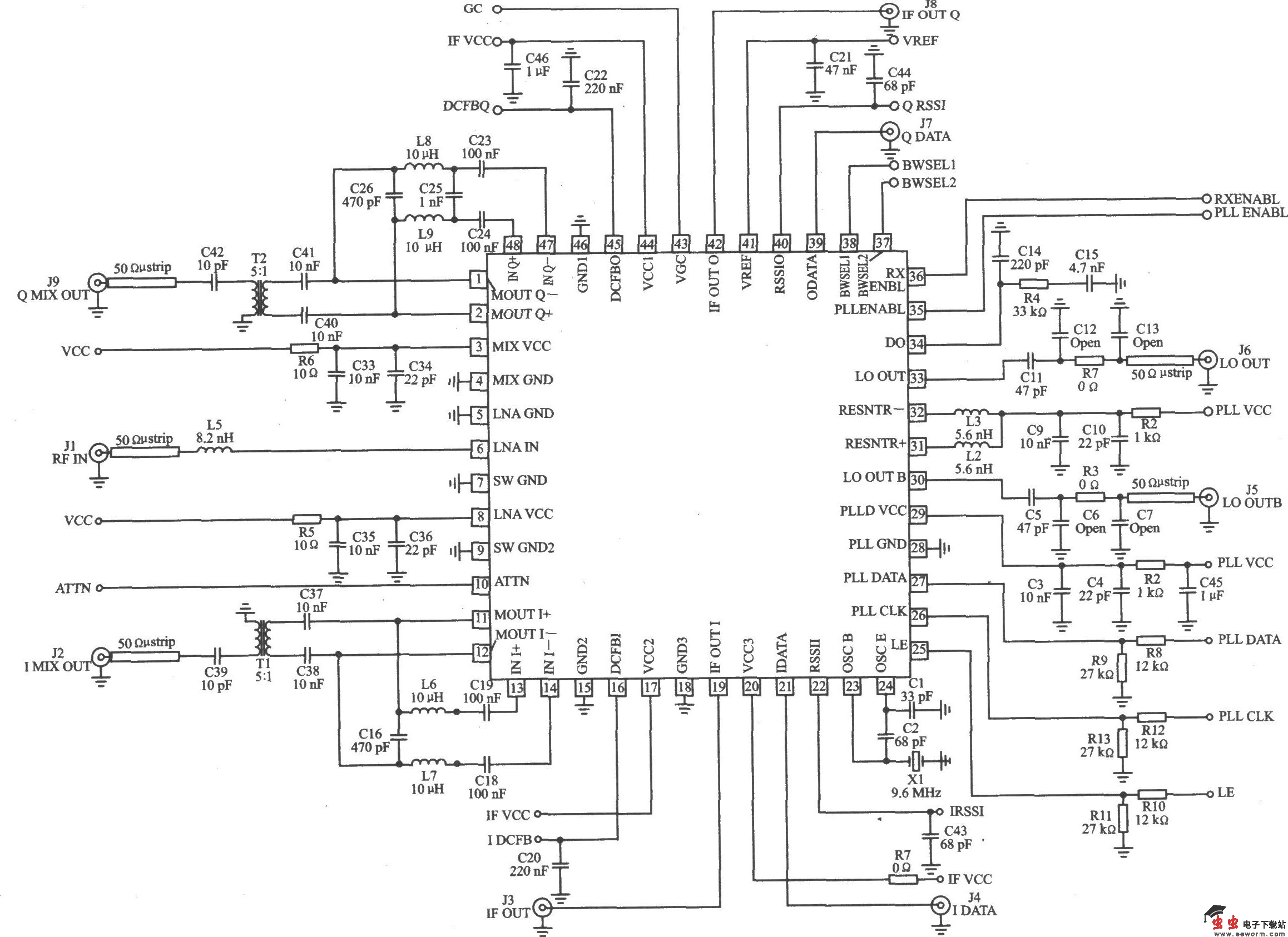
RF2908评估板电路图

觉得这篇文章有帮助吗?