TX500 ASK l GHz~100 MHz发射器模块

📅 发布时间:2013-09-29 12:50 👁️ 浏览:0 🏷️ 标签: 500 100 ASK GHz

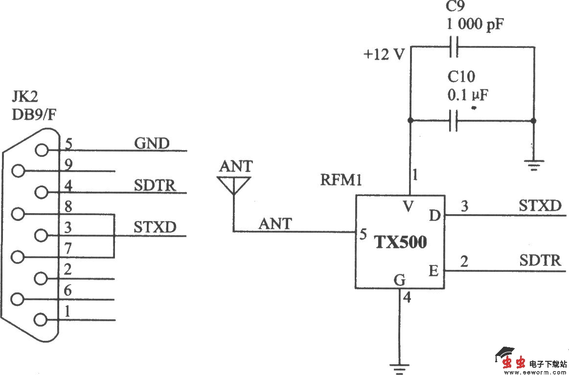
TX500是一款ASK无线数据发射器模块。它采用PLL频率稳定技术,在小区域无线数据通信中获得广泛应用,例如无线抄表系统。 主要技术特点如下: ·工作频率为l00 MHz~1 GHz; ·中心频点误差为土5×10-6(TA=25℃); ·ASK调制方式; ·调制速度为DC~-100 kHz(50%占空比方波,TTL信号); ·点对点通信方式,与RXl00或RX500配套使用; ·数据接口通过穿心电容,天线接口用Q9,输入信号接口用TTL/CMOS或RS一232; ·最大数据速率为l00 Kb/s; ·工作电压为l2~15 V; ·工作电流为l70 mA(在 l2 V时),待机电流小于10 uA; ·辐射功率(连续波)为27 dB; · ·发射距离:开阔地,天线离地l.5 m约为l.5 km;开阔地,发射天线离地30 m约为2 km,一般城区环境,天线离地l.5 m约为l km, ·工作温度为-40~ 85℃(推荐一10~ 60℃)。

 

TX500的应用电路

觉得这篇文章有帮助吗?