⭐ 欢迎来到虫虫下载站! | 📦 资源下载 📁 资源专辑 ℹ️ 关于我们
⭐ 虫虫下载站
🔐 登录 📝 注册
虫虫下载站
虫虫下载站
专业电子工程师资源平台
📤 上传资源
  • 🏠 首页
  • 📦 资源下载
  • 📁 资源专辑
  • 🔧 热门软件
  • ⭐ 精品资源
  • 🎓 基础知识
  • 📐 电路图
  • 📚 电子书
  • 🔢 在线计算器
  • 🔍 代码搜索
🏠 首页 › 📐 电路图 › 通信电路

📐 通信电路

📊 共 163 个电路图 🎨 设计参考
几种电话线馈电电路及优电路图

几种电话线馈电电路及优

📅 01-01 查看 →
两个三极管组成的RS232串电路图

两个三极管组成的RS232串

📅 01-01 查看 →
激光通信电话机电路图电路图

激光通信电话机电路图

📅 01-01 查看 →
电话伴侣电路图电路图

电话伴侣电路图

📅 01-01 查看 →
基于单片机的DTMF编码解电路图

基于单片机的DTMF编码解

📅 01-01 查看 →
双音多频(DTMF)芯片MT88电路图

双音多频(DTMF)芯片MT88

📅 01-01 查看 →
双音频电话振铃电路图电路图

双音频电话振铃电路图

📅 01-01 查看 →
挂机馈电电路图分析电路图

挂机馈电电路图分析

📅 01-01 查看 →
摘机馈电电路图电路图

摘机馈电电路图

📅 01-01 查看 →
自动对讲机、扩音电话机电路图

自动对讲机、扩音电话机

📅 01-01 查看 →
LMl893电力线载波通信应电路图

LMl893电力线载波通信应

📅 01-01 查看 →
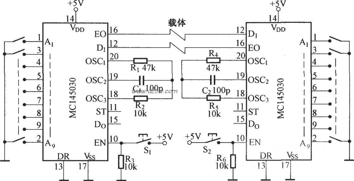
由MCl45030组成的双工通电路图

由MCl45030组成的双工通

📅 01-01 查看 →
铃流发生器电路图电路图

铃流发生器电路图

📅 01-01 查看 →
调制器及电路工作原理介电路图

调制器及电路工作原理介

📅 01-01 查看 →
TCLHW868P/TSD型无绳电话电路图

TCLHW868P/TSD型无绳电话

📅 01-01 查看 →
10.7MHz的LC正交FM解调电电路图

10.7MHz的LC正交FM解调电

📅 01-01 查看 →
CD4046组成的PLL调频解调电路图

CD4046组成的PLL调频解调

📅 01-01 查看 →
OPA606构成的12MHz宽带缓电路图

OPA606构成的12MHz宽带缓

📅 01-01 查看 →
用BFR965组成的无线话筒电路图

用BFR965组成的无线话筒

📅 01-01 查看 →
光接收机主放大器电路电路图

光接收机主放大器电路

📅 01-01 查看 →
免提通话电路的电话机电电路图

免提通话电路的电话机电

📅 01-01 查看 →
56k modem电路图电路图

56k modem电路图

📅 01-01 查看 →
usb转R232串口电路图电路图

usb转R232串口电路图

📅 01-01 查看 →
USB接口ISP下载编程电路图

USB接口ISP下载编程

📅 01-01 查看 →
电话异地监听器电路及制电路图

电话异地监听器电路及制

📅 01-01 查看 →
声表面滤波器电路电路图

声表面滤波器电路

📅 01-01 查看 →
GPS接收机数字基带处理器电路图

GPS接收机数字基带处理器

📅 01-01 查看 →
基于GP2021的GPs接收机电电路图

基于GP2021的GPs接收机电

📅 01-01 查看 →
GPl020的6信道相关器应用电路图

GPl020的6信道相关器应用

📅 01-01 查看 →
μPC2749TB的GPS接收机L电路图

μPC2749TB的GPS接收机L

📅 01-01 查看 →
  • 首页
  • « 上一页
  • 1
  • 2
  • 3
  • 4
  • 5
  • 6
  • 下一页 »
  • 末页
🔐 用户登录
加载中...

加载登录表单中...

🎁 免费注册送10积分
加载中...

加载注册表单中...

🔑 找回密码
加载中...

加载表单中...

🔐 需要登录
🔒

登录后即可使用!

🎁 新用户注册立即送10积分
积分可用于下载资源,免费获取优质技术资料
🚪 退出登录
👋

确认要退出登录吗?

退出后需要重新登录才能下载资源

关于虫虫

虫虫下载站是专业的电子工程师资源分享平台,汇聚 622,478+ 优质资源,为工程师提供免费、专业的技术资料。

🌐

快速链接

  • 📦 资源下载
  • 📁 资源专辑
  • 📐 电路图库
  • 📚 电子书籍
  • 🧮 在线计算器

帮助中心

  • 📋 服务条款
  • ℹ️ 关于我们
  • ⚠️ 免责声明
  • 🗺️ 网站地图

联系我们

扫码关注我们

虫虫下载站二维码

虫虫小帮手

© 2011-2025 虫虫下载站 - 专业的电子工程师资源分享平台 | 让技术资源触手可及

京ICP备2021023401号-1