WE904/WE905是全双工通信的收发器,适合美国ISM频道(902~928 MHz)、欧洲SRD频道(868 MH。)无线声音/数据产品、900 MHz无绳电话和遥感/遥测数据传输的应用。 主要技术特点如下: ·工作频率为0.1~1 GHz; ·FM/FSK调制方式; ·接收灵敏度为-l03 dBm; ·发射输出功率为 3.0 dBm; ·工作电压为2.7~3.3 V; ·直接变频,零一中频结构; ·片内双VC0,串行可编程接口。
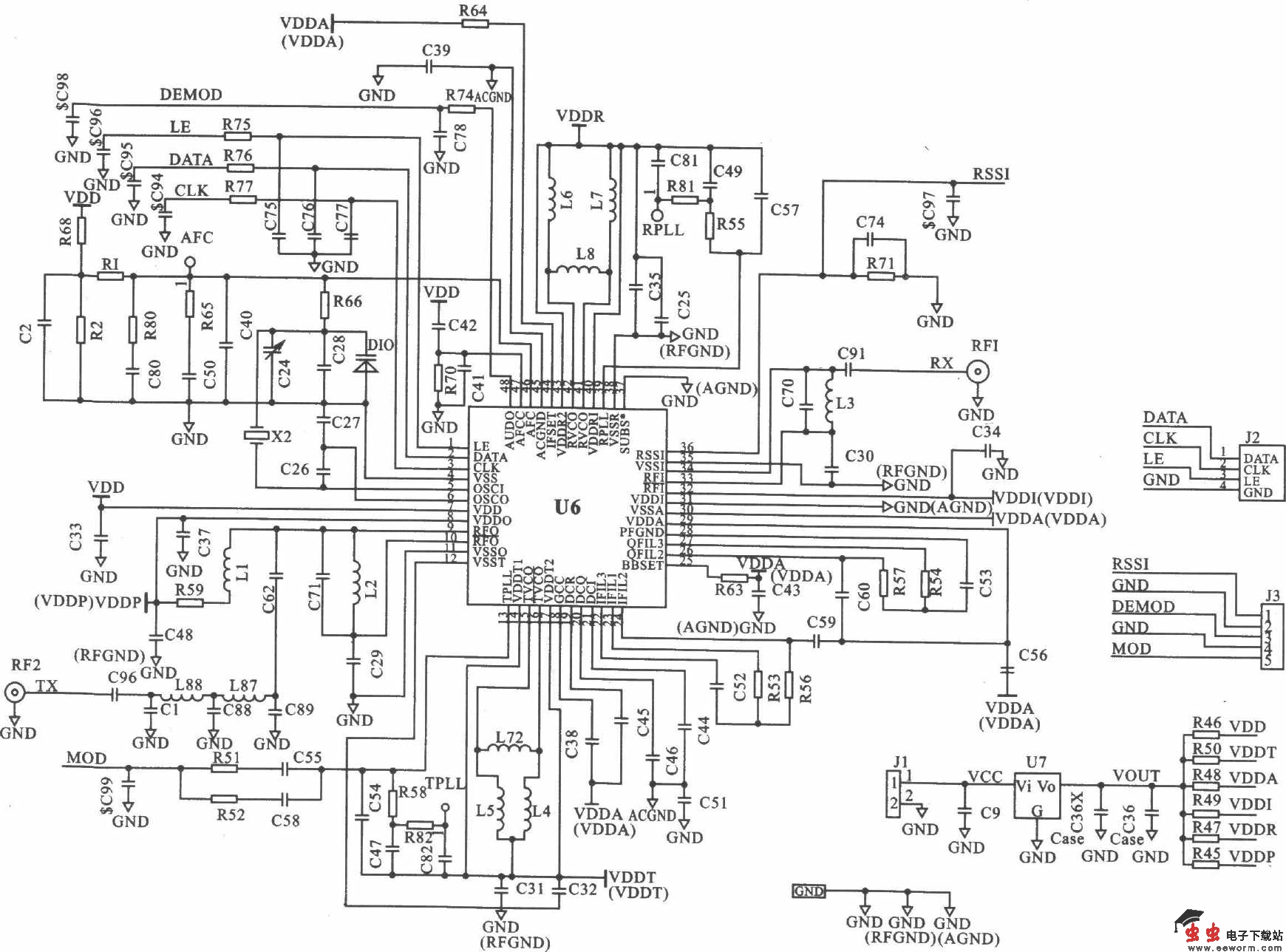
WE904开发板电路原理图 WE904开发板不同频率的元器件参数


