
如图所示为激光峡谷对讲机电路。它用激光光束传递语音信号,传送距离可达数百米,声音清晰洪亮。又不受制于无线电管制条例,适用于边远山区的山谷间、河谷两岸间的通信联络,城市中高楼窗口之间只要空旷无阻,也可以用它作为热线电话,既安全保密,又可节省大量电话费开支。
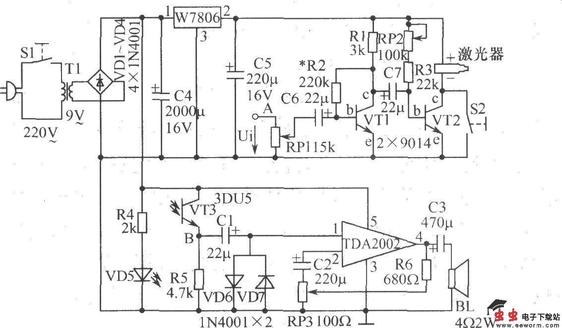
工作原理:语音信号激光束发射电路如图上半部分所示,三端稳压器W7806为发射电路提供稳定的6V直流电压。A点为语音信号输入端(此处可接入一只话筒),输入语音信号的大小由RP1进行调节,该信号经晶体管VT1、VT2两级放大后,使流过激光器的电流变为脉动电流,其中交变部分即为语音信号电流,最后经激光器将该脉动电流转变为脉动激光信号发射到对方。接通电源后,可适当调整R2、RP2的数值,使晶体管VT1的集电极对地电压为3V,晶体管VT2的集电极对地电压为2V即可。语音信号激光束接收电路(用于接收对方发射过来的激光信号),如图下半部分所示。当光电管3DU5接收到脉动激光信号时,在B点产生一直流脉动信号电压,经过电容器C1隔直后,其中的交变部分(即语音信号)输入功放集成块TDA2002进行放大,音量大小可以通过电位器RP3进行调节。