短波数字通信系统中接收机的AGC电路采用AD603可变增益放大器结合简单的AGC控制电路来实现,具有较高的增益,动态范围达70dB,频带宽度为90MHz,且电路结构相当简单。
短波接收机在接收信号时,由于电离层的变化、衰落和接收信号条件等不同,其输入端信号电平在很大范围内变化。而接收机的输出功率是随外来信号的大小而变化的,接收机的输出端会出现强弱非常悬殊的信号功率。为此,短波接收机中非常强调自动增益控制(AGC)电路。AGC电路是一种在输入信号幅度变化很大的情况下,使输出信号幅度保持恒定或仅在较小范围内变化的自动控制电路。AGC的基本原理是产生一个随输入电平而变化的直流AGC电压,利用AGC电压去控制某些放大部件(如中放)的增益,使接收机总增益按照一定规律而变化。AGC电路主要由控制电路和被控电路两部分组成。控制电路就是AGC直流电压的产生部分,被控电路的功能是按照控制电路所产生的变化着的控制电压来改变接收机的增益。
目前,在短波接收机中放大器增益的控制方法主要有两种。一种是改变放大器本身的参数,使增益发生变化,典型的是采用双栅场效应管,通过改变其中某一栅的直流偏置电压使增益发生变化;另一种是在放大器级间插入可变衰减器,控制衰减量,使增益发生变化,典型的是各种集成的可变增益放大器,本文讨论的AGC电路就是采用ADI公司的AD603可变增益放大器结合简单的AGC控制电路来实现的。要求增益大于50dB,AGC动态范围大于65dB,输出信号电平基本稳定在-10dBm。
AD603工作原理

表1:AD603引脚功能
AD603是低噪、90MHz带宽增益可调的集成运放,如增益用分贝表示,则增益与控制电压成线性关系。管脚间的连接方式决定了可编程的增益范围,增益在-11~+30dB时的带宽为90MHz,增益在+9~+41dB时具有9MHz带宽,改变管脚间的连接电阻,可使增益处在上述范围内。该集成电路可应用于射频自动增益放大器、视频增益控制、A/D转换量程扩展和信号测量系统,简化原理框图如图1所示。

图1:AD603的原理框图
AD603由无源输入衰减器、增益控制界面和固定增益放大器三部分组成。图中加在梯型网络输入端(VINP)的信号经衰减后,由固定增益放大器输出,衰减量是由加在增益控制接口的电压决定。增益的调整与其自身电压值无关,而仅与其差值VG有关,由于控制电压GPOS/GNEG端的输入电阻高达50MΩ,因而输入电流很小,致使片内控制电路对提供增益控制电压的外电路影响减小。以上特点很适合构成程控增益放大器。图1中的“滑动臂”从左到右是可以连接移动的。当VOUT和FDBK两管脚的连接不同时,其放大器的增益范围也不一样。
当脚5和脚7短接时,AD603的增益为40Vg+10,这时的增益范围在 -10~30dB,本文的设计就是这样应用的。当脚5和脚7断开时,其增益为40Vg+30,这时的增益范围为10~50dB。如果在5脚和7脚接上电阻,其增益范围将处于上述两者之间。
AGC电路工作原理及增益的分配和计算
● AGC电路工作原理
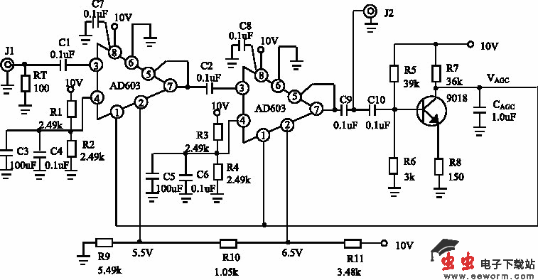
选用AD603作为主放大器,两片AD603采用顺序级联形式,充分发挥每一片AD603的增益控制功能。AGC检波由9018完成,9018同时送出AGC控制电压。完整的放大器及AGC电路如图2所示。
经两级AD603放大的信号,一路由J2送入下一级信号通道,另一路则由C10输入到9018用于AGC检波。9018的发射极PN结完成AGC检波,并由集电极经电容CAGC滤波后送出AGC控制电压VAGC。
输入信号增大时,9018的基极瞬时电流也增大,相应的集电极电流也跟着增大,从而R7两端的瞬时压降也增大,则集电极瞬时电压减小,经滤波后得到的VAGC也相应减小;同样,输入信号减小时,VAGC则会增大,即VAGC与输入信号的强度成反比,符合AGC电压反向控制要求。
AD603的2脚对地压降固定,1脚对地压降即为VAGC,从而1、2脚的电压差V12受VAGC的控制。AD603的增益可表示为:G=40·V12+10。由此可见,随着VAGC的增加,V12也增加,则AD603的增益变大;相反,若VAGC减小,V12也减小,则AD603的增益变小,从而使两级AD603的输出恒定在某个信号强度上。AGC时间常数的调整可以通过改变CAGC的容值来实现。
● AGC增益的分配和计算[!--empirenews.page--]
两片AD603采用顺序级联模式有利于控制精度和信噪比的提高。而顺序级联模式要求在放大信号时先启用第一片AD603的增益,用尽后再用第二片的增益。由AD603的增益计算公式可知,当V12在-500~500mV之间时,其增益在-10~30dB范围内变化,则两片AD603的V12之间应有1V的电压差,反应在图2中,即两片AD603的2脚之间有1V的压降。

图2:放大器及AGC电路
根据实际设计应留有一定的余量。将第一片AD603的增益范围定为 -6~30dB,则相应的V12为-400~500mV,而其2脚已固定在5.5V,故1脚的控制电压即VAGC应为5.1~6V。第二片AD603的增益范围定为-10~24dB,则相应的V12为-500~350mV,而其2脚已固定在6.5V,故1脚的控制电压即VAGC应为6~6.85V,两片顺序级联后的总增益范围为-16~54dB,如图3所示。

图3:AGC增益分配情况
由以上分析可知,当AGC控制电压VAGC从5.1V到6.85V变化时,两级AD603的总增益将从-16dB到54dB线性增加。现在需要做的是调整9018的工作点,使得当输入信号适当变化时,能够从9018的集电极取出从5.1V到6.85V变化的AGC控制电压VAGC。由图2可以看出,VAGC的大小取决于R7的阻值和集电极电流的大小。
在无信号输入时,调整9018的静态工作点,使9018发射极的PN结处于近似截止状态,并调整R7的阻值使得VAGC为6.85V,此时两级AD603的增益全部放开,即54dB;当有信号输入,但其信号强度尚不能使9018发射极的PN结导通时,AGC处于失控状态,输出信号将随着输入信号强度的增大而增大;当信号强度足以使9018发射极的PN结导通时,9018处于AGC检波状态,此时AGC开始起控,VAGC大约以25mV/dB的速率下降,直至下降到5.1V。对应的两级AD603的增益也开始逐渐从54dB下降到-16dB,先是第二级AD603的增益逐渐从24dB下降到-10dB,然后第一级AD603的增益也开始逐渐从30dB下降到-6dB。此时,AGC进入饱和点,输入信号强度再增大时,AGC已失去控制作用,输出信号又将随着输入信号强度的增大而增大。这就是AGC的整个控制过程,即随着输入信号强度的不断增大,AGC将历经失控、开始起控、进入饱和、再次失控的控制过程。