RF2938是为工作在2.4 GHZ ISM频段直接序列扩频系统设计的收发器,适合无线局域网、安全通信链接、集货跟踪、无线安全爆破和数字无绳电话等系统的应用。 主要技术特点如下: ·45~500 MHz中频(IF)正交解调器; ·2.4 GHz功率放大器(PA)驱动器; ·电源电压为2.7~3.6 V; ·发射线性输出功率为6 dBm; ·工作电流为l05 mA,睡眠模式电流为lμA; ·片内有可变基带滤波器。
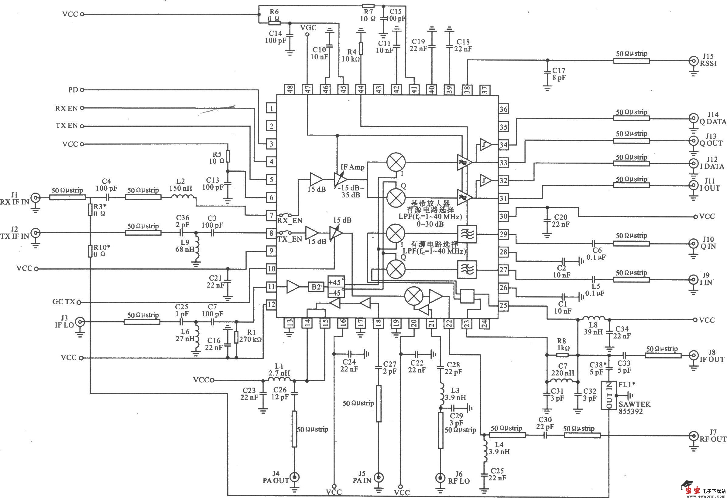
RF2938的应用电路
RF2938是为工作在2.4 GHZ ISM频段直接序列扩频系统设计的收发器,适合无线局域网、安全通信链接、集货跟踪、无线安全爆破和数字无绳电话等系统的应用。 主要技术特点如下: ·45~500 MHz中频(IF)正交解调器; ·2.4 GHz功率放大器(PA)驱动器; ·电源电压为2.7~3.6 V; ·发射线性输出功率为6 dBm; ·工作电流为l05 mA,睡眠模式电流为lμA; ·片内有可变基带滤波器。
RF2938的应用电路