TRl001 00K/ASK 868.35 MHz收发器

📅 发布时间:2013-09-29 19:45 👁️ 浏览:0 🏷️ 标签: 868.35 TRl 001 ASK

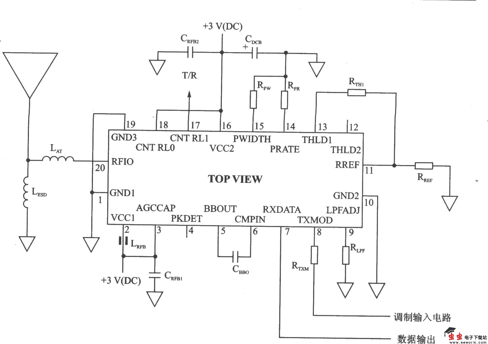
TRl001是一款单片OOK/ASK收发器芯片。它符合ETSI l—ETS 300220规范要求以及类似标准,适合高稳定、小尺寸、低功耗、低价格的短距离无线数据通信和无线控制应用。 主要技术特点如下: ·工作频率为868.15~868.55 MHz; ·可接收和发射数字OOK/ASK信号; ·OOK数据传输速率可达l9.2 Kb/s,ASK数据传输速率可达ll5.2 Kb/s; ·接收灵敏度为-95 dBm ·电源电压为2.7~3.5 V; ·接收模式工作电流为l.8 mA; ·发射模式输出功率为l.25 mW,工作电流为l2 mA; ·睡眠模式电流为5 μA; ·睡眠模式转换到接收模式时间为20 pts,发射模式转换到接收模式时间为20μs,接收模式转换到发射模式时间为l2μs; ·工作温度为-40~ 85℃。

TRl001 00K/ASK 868.35 MHz收发器 

TRl001 00K应用电路

TRl001 00K/ASK 868.35 MHz收发器 

TRl001 ASK应用电路

觉得这篇文章有帮助吗?