
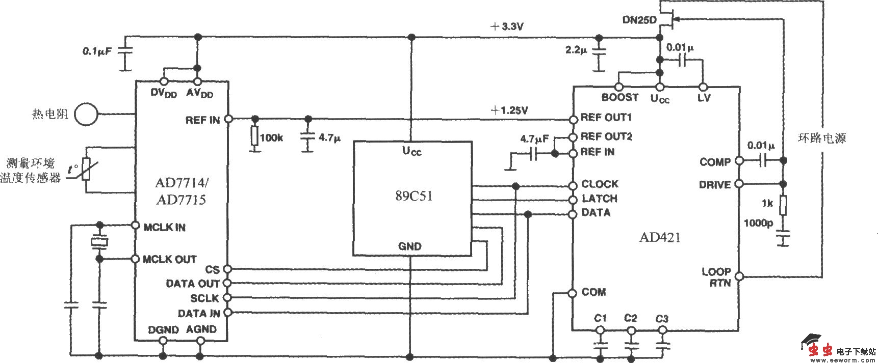
由AD421构成4~20mA智能变送器的电路如图所示。其中,微处理器可作为线性化处理和通信。该变送器的模/数转换器采用AD7714(或AD7715)型高分辨率∑-△式ADC。 AD7714内部包含了可编程增益放大器(增益调节范围是1~128)。变送器的工作原理如下:传感器产生的10mV模拟信号首先加到AD7714的输入端,完成模/数转换并利用AD7714的数字校准技术来消除增益误差及失调误差;然后由89C51单片机读取AD7714的数据并进行线性化处理,再经过串行口送至AD421转换成4~20mA的电流信号,最后经电流环路送给控制中心。AD421的工作电压为 3.3V。AD7714、AD421的基准电压分别由列强OUT1、REF OUT2来提供。