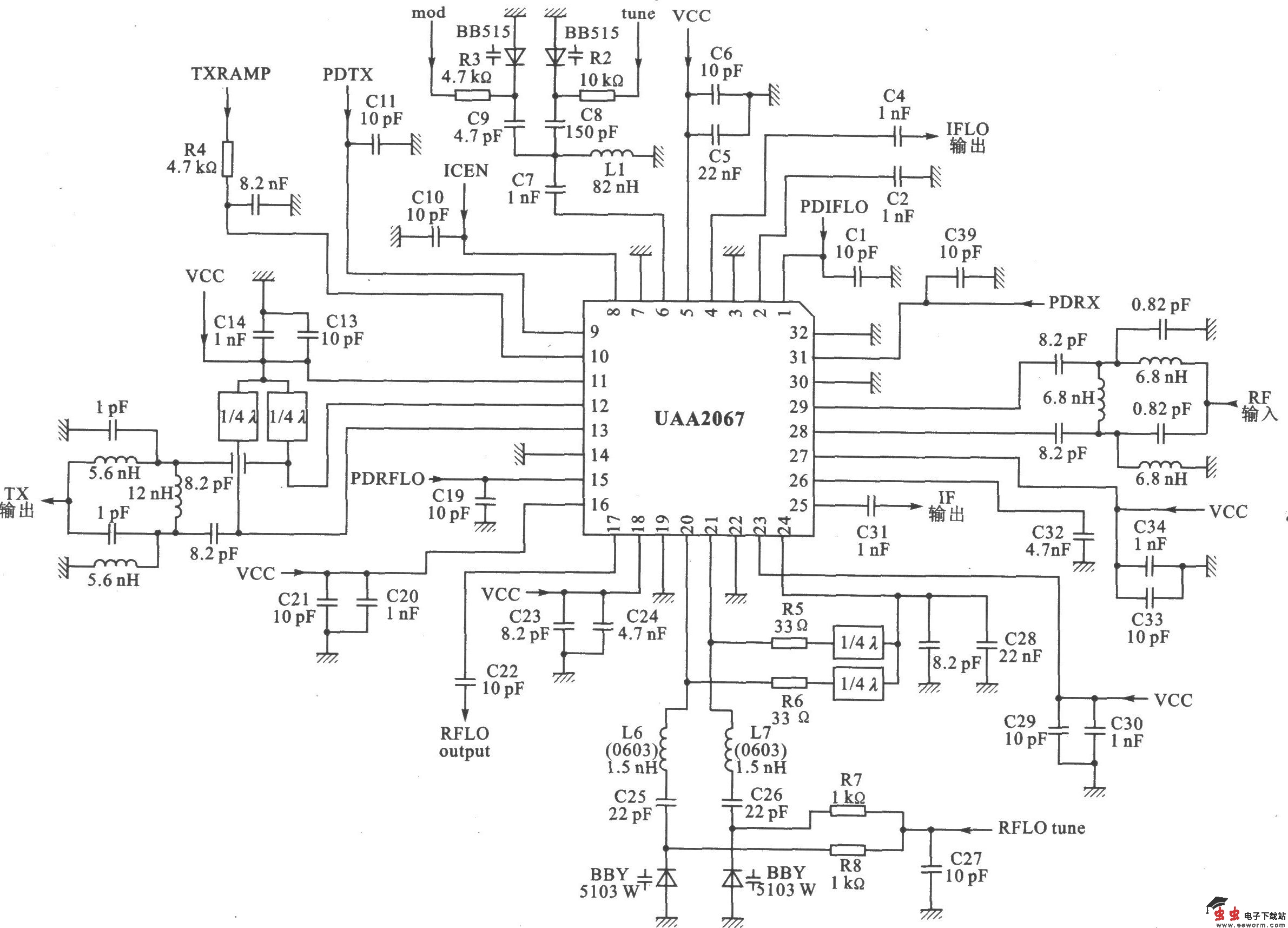
UAA2067G是专为无线电通信(DECT)系统便携式基站设计的收发器,主要用于1880~1930 MHz DECT便携式设备和TDMA系统。 主要技术特点如下: ·工作频率为l800~1900 MHz; ·输入灵敏度为-93 dBm; ·发射输出功率为0~3 dBm; ·工作电源为3~3.6 V; ·接收电流为36 mA,发射电流为l5 mA,低功耗模式电流为10μA(典型值); ·接收和发射有镜像抑制双正交混频器(下边带)。
UAA2067G 的应用电路
UAA2067G是专为无线电通信(DECT)系统便携式基站设计的收发器,主要用于1880~1930 MHz DECT便携式设备和TDMA系统。 主要技术特点如下: ·工作频率为l800~1900 MHz; ·输入灵敏度为-93 dBm; ·发射输出功率为0~3 dBm; ·工作电源为3~3.6 V; ·接收电流为36 mA,发射电流为l5 mA,低功耗模式电流为10μA(典型值); ·接收和发射有镜像抑制双正交混频器(下边带)。
UAA2067G 的应用电路