下限温度蛙鸣报叫及自动加温控制电路

📅 发布时间:2013-10-02 04:30 👁️ 浏览:1 🏷️ 标签: 温度 控制电路 自动

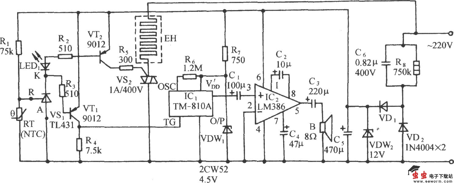
下限温度蛙鸣报叫及自动加温控制电路

如图所示电路,它由温度下限检测电路、告戒发声电路、加热电路和交流降压整流电路等组成。

觉得这篇文章有帮助吗?