家用可燃气体泄漏自动通风及发声报警电路

📅 发布时间:2013-10-02 02:25 👁️ 浏览:2 🏷️ 标签: 可燃气体 发声 泄漏

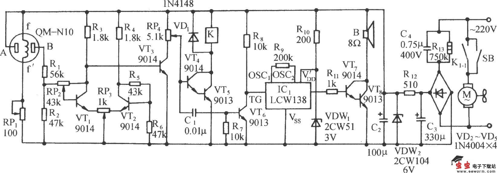
家用可燃气体泄漏自动通风及发声报警电路

电路如图所示。它由气敏传感器检测电路、放大器、继电器控制排气扇电路、模拟发声电路和交流降压整流电路等组成。用于家庭厨房、浴室内的天然气、煤气、液化石油气等可燃气的泄漏报警和自动排气,确保人身安全。

觉得这篇文章有帮助吗?