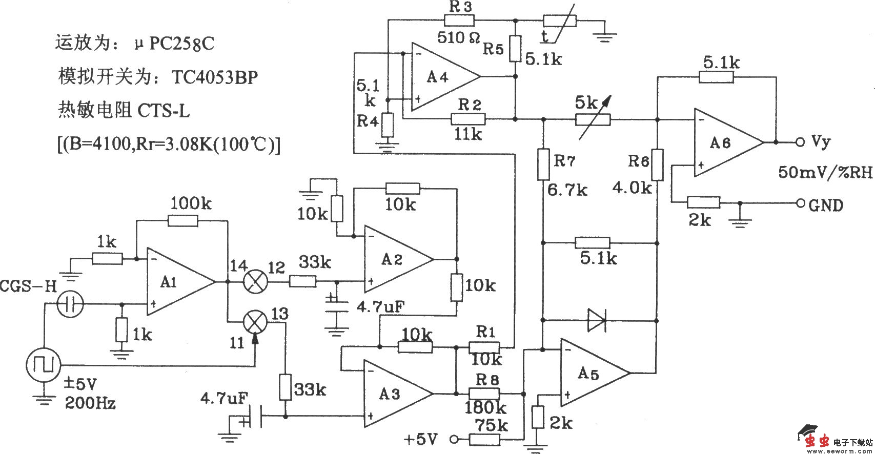
由CGS-H型陶瓷湿度传感器构成的低湿度检测电路图

📅 发布时间:2013-10-01 23:35 👁️ 浏览:1 🏷️ 标签: CGS-H 陶瓷 湿度传感器 湿度检测

由CGS-H型陶瓷湿度传感器构成的低湿度检测电路图

由CGS-H型陶瓷湿度传感器构成的低湿度检测电路图

由CGS-H型陶瓷湿度传感器构成的低湿度检测电路图

CGS-H的湿度.湿度特性曲线图

由CGS-H型陶瓷湿度传感器构成的低湿度检测电路图

60℃和100℃的温度.湿度特性曲线及相关曲线图

觉得这篇文章有帮助吗?