珍兽馆舍超温自动喷水降温装置电路

📅 发布时间:2013-10-02 01:40 👁️ 浏览:0 🏷️ 标签: 自动 降温 装置电路

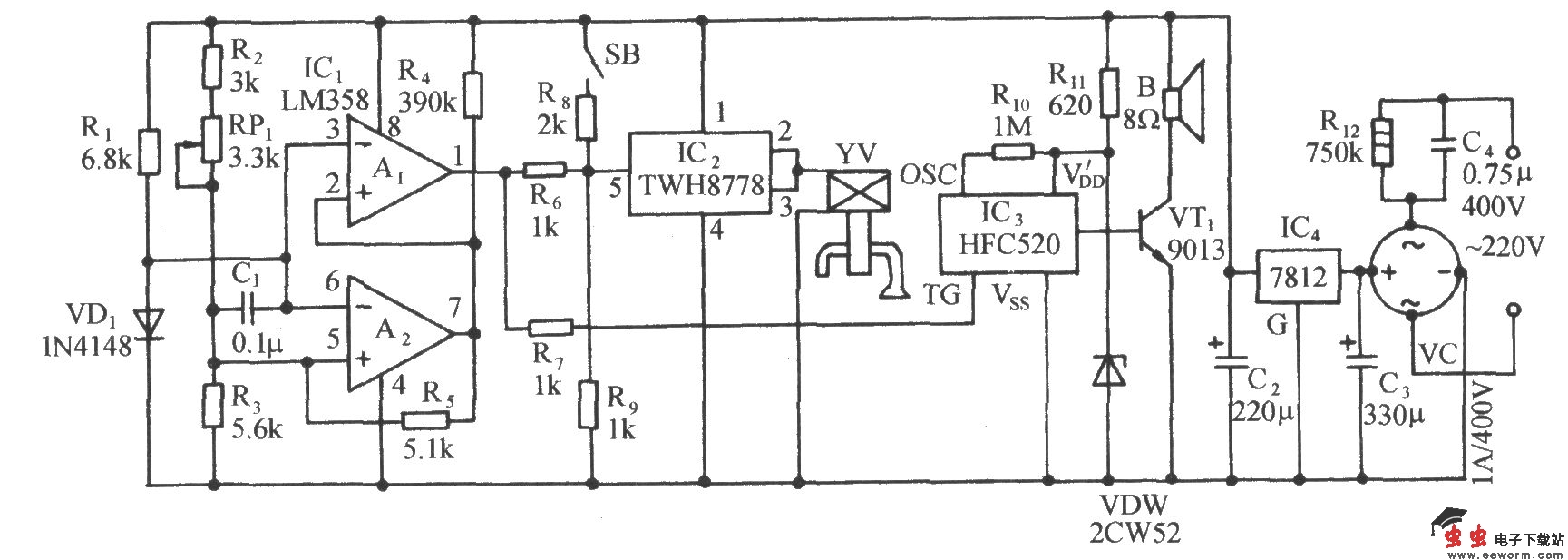
珍兽馆舍超温自动喷水降温装置电路

电路如图所示。它由温度检测电路、电压比较电路、功率开关电路、蛙鸣发声电路、交流降压整流电路等组成。当夏天室内温度超过32oC时,它能自动地启动喷水装置,进行降温。当室温降至预定的温度后,停止喷水。该电路适于珍禽异兽的养殖,电路简单,性能可靠。在喷水时还会发出3声蛙鸣声,提请值勤人员注意。

觉得这篇文章有帮助吗?