
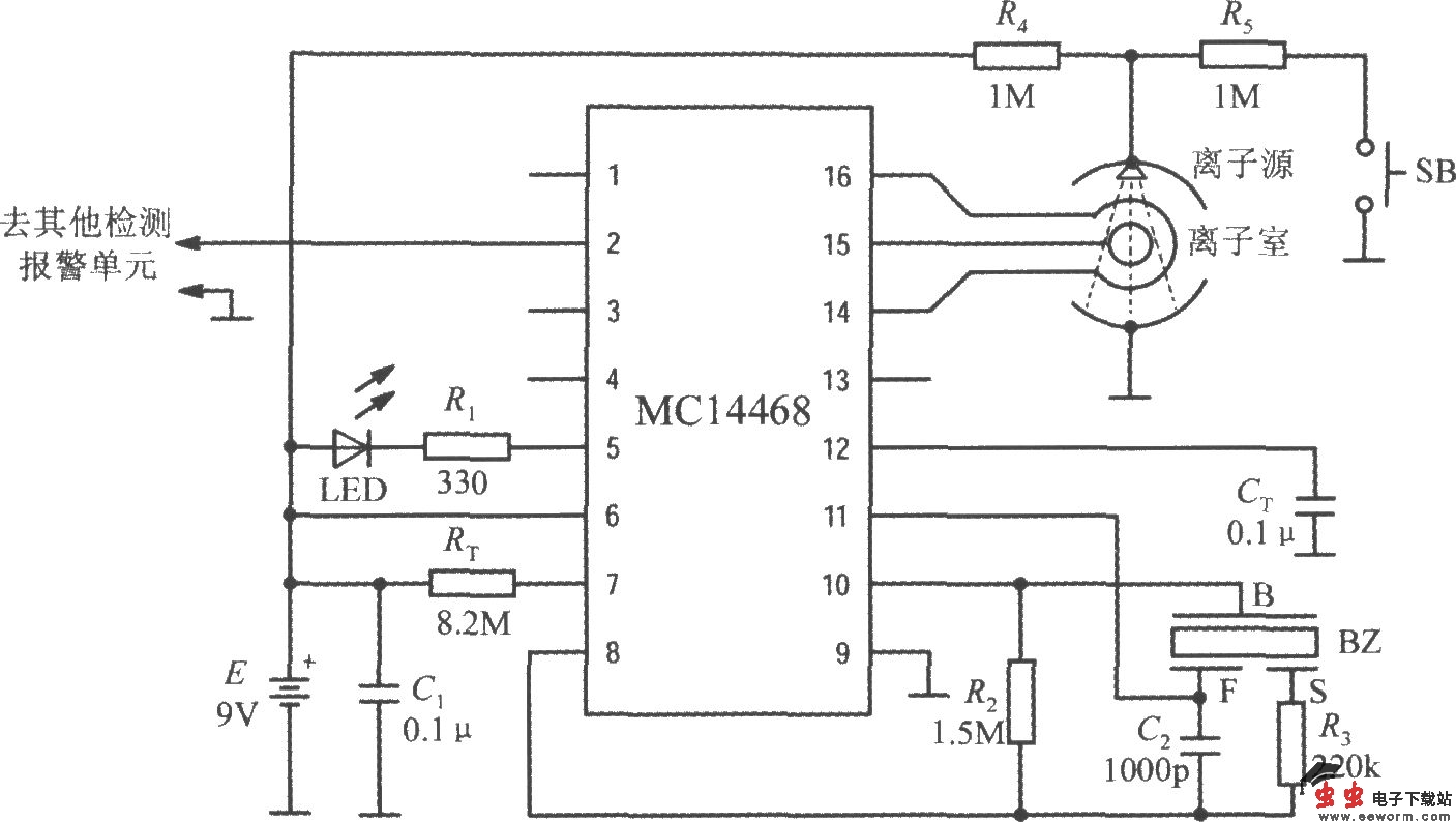
如图所示为由离子型烟雾检测报警集成电路MC14468构成的烟雾检测报警电路。该装置采用9V叠层电池供电。RT和CT分别为振荡电阻和振荡电容。LED采用发光二极管,R1为限流电阻。BZ为压电陶瓷蜂鸣器,它由3个电极,分别为B极、F极和S极。离子源采用镅241(Am241),其放射性强度低至0.8Ci(即0.8微居里),不会对人体造成伤害,也不会污染环境。离子源装在离子室的顶部。R4和R5为分压电阻。SB为自检按钮。常态下离子源接 9V电压,接下SB时就变成 4.5V,能模拟检测到烟雾的情况。MC14468还可以通过第2脚接其他检测单元电路。