
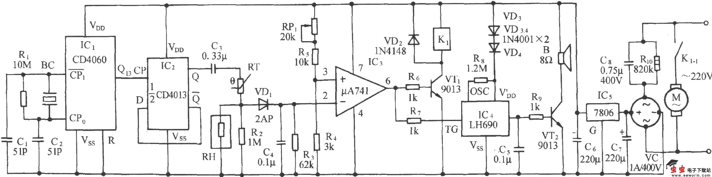
如图所示电路,它由精密时基振荡器、D触发器、温度检测电路、比较电路、继电器控制排气电路、语言告戒电路和交流降压整流电路等组成。BC采用石英手表中用的晶体,其固有频率为32768Hz;K1采用JZC-22F;C6,C7采用CD11-16V型电解电容;C3,C4,C5采用CL11-63V型涤纶膜电容器;R10采用RJ-2W-820kΩ,RP1采用WH5型合成膜电位器,其余电阻均采用RT-1/8W型碳膜电容器;C8选用CBB-400V-0.75μF;VC采用1A/400V的全桥整流模块或用四只1N4004搭成桥式整流器;B选用0.25W(8Ω)电动式扬声器。