热敏电阻温控制冷鸟鸣发声电路

📅 发布时间:2013-10-03 08:15 👁️ 浏览:4 🏷️ 标签: 热敏电阻 温控 制冷 发声

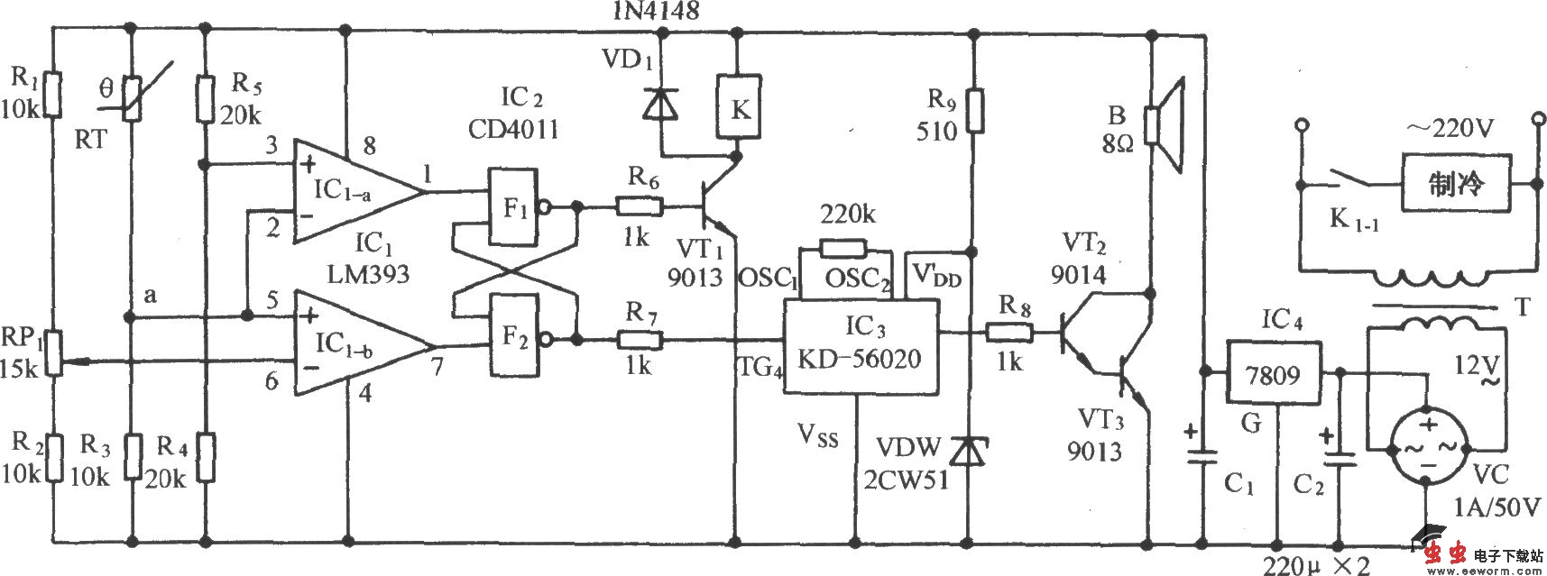
热敏电阻温控制冷鸟鸣发声电路

电路如图所示。它由温度检测电路、开机和关机检测电路、继电器控制电动机电路、鸟鸣发声电路和交流降压整流电路等组成。使冰柜内的温度保持在设定的温度范围内,并在制冷时发出悦耳的小鸟呜叫声。

觉得这篇文章有帮助吗?