文物堂(馆)防金属物携入语言告戒电路

📅 发布时间:2013-10-02 04:25 👁️ 浏览:0 🏷️ 标签: 文物 金属 语言 电路

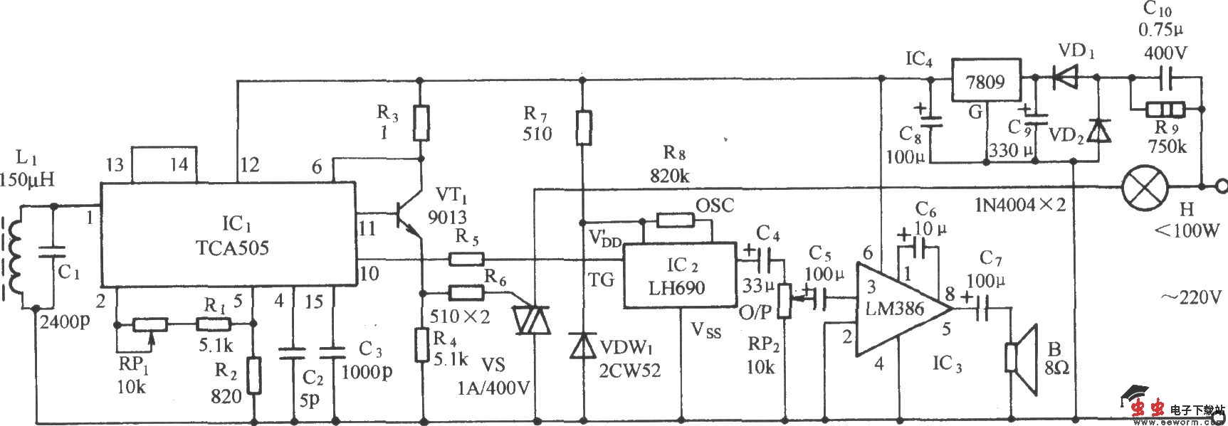
文物堂(馆)防金属物携入语言告戒电路

有些纪念堂(馆)、博物院、珍品陈列馆为防止参观者携有金属物件人内,常有令人不愉快的搜身或检查。将该电路置于堂(馆)的入口处,可自动检测出携带的金属物件,并发出“请勿携带金属品入内”的语言告戒声。它的电路如图所示。

觉得这篇文章有帮助吗?