
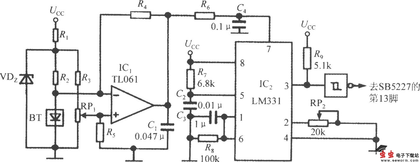
当环境温度发生变化时超声波的传播速度也随之改变,这将会引起测距误差。利用温度检测电路可获取与环境温度成正比的频率信号,再送至SB5227中进行温度补偿,即可消除该项误差。温度检测电路如图所示。BT为半导体温度传感器,可用硅二极管(或NPN晶体管的发射结)来代替。为了降低BT的自身发热量,宜采用恒压、小电流供电,BT的工作电流一般可设计为200μA。VDz为稳压管,R1和R2均为限流电阻。利用BT将环境温度转换成毫伏级的模拟电压信号,送至IC1(TL061)放大成0~3V的电压信号,再经过IC2(LM331)进行电压,频率(U/f)转换,获得0~14kHz的频率信号送至SB5227的第13脚。温度补偿范围是-40~ 100oC。RP1为增益调节电位器,RP2为频率校准电位器。它采用三点式校准法,只需将-40℃、0oC和 100oC下的输出频率值依次校准为0Hz、4kHz和14kHz即可。校准后的灵敏度为100Hz/℃。LM331属于精密电压/频率转换器,它在1Hz~100kHz频率范围内的非线性度可达±0.03%。R7和C2分别为定时电阻、定时电容。输出频率由下式确定: ![]()
式中,RRP2代表电位器RP2的电阻值,R7和R8应采用温度系数低于50×10-6/℃的精密金属膜电阻。经过高频滤波器(R6、C4)接LM331的输入电压端(第7脚)。R9为输出端的上拉电阻。