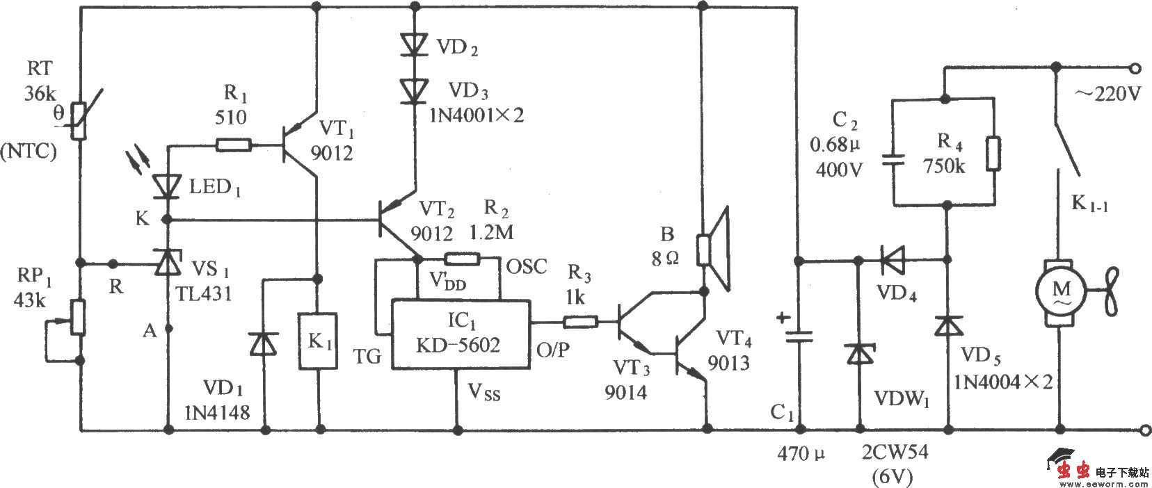
温度上限动物呜叫告警及自动通风降温控制电路

📅 发布时间:2013-10-03 08:50 👁️ 浏览:0 🏷️ 标签: 温度 上限 控制电路 自动

温度上限动物呜叫告警及自动通风降温控制电路

如图所示,它包括温度上限检测电路、鸣叫告警电路、继电控制风扇降温电路和交流降压供电电路等。IC1采用CMOS型大规模语言集成电路KD-56021,它内存储有羊、牛、鸡、狗四种动物叫声。

觉得这篇文章有帮助吗?