交流电源过、欠电压检测电路(CD4013)

📅 发布时间:2013-10-02 13:25 👁️ 浏览:0 🏷️ 标签: 4013 CD 交流电源 欠电压

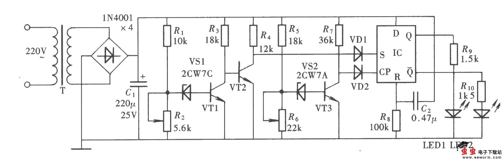
交流电源的标准电压在我国为220V,它的最大允许偏差范围为l80~240V,超过这个允许范围,将会给用电设备造成损坏。采用CD4013可以组成一个电源过、欠电压检测电路,当电源电压超过这个范围时,检测电路发出警示信号,提醒用户注意,切断电源或采取措施,以防造成损失。该过、欠电压检测电路的组成如图所示。该电路由电源电压过电压、欠电压检测与取样电路、触发控制与显示电路组成。

交流电源过、欠电压检测电路(CD4013) 

觉得这篇文章有帮助吗?