⭐ 欢迎来到虫虫下载站! | 📦 资源下载 📁 资源专辑 ℹ️ 关于我们
⭐ 虫虫下载站
🔐 登录 📝 注册
虫虫下载站
虫虫下载站
专业电子工程师资源平台
📤 上传资源
  • 🏠 首页
  • 📦 资源下载
  • 📁 资源专辑
  • 🔧 热门软件
  • ⭐ 精品资源
  • 🎓 基础知识
  • 📐 电路图
  • 📚 电子书
  • 🔢 在线计算器
  • 🔍 代码搜索
🏠 首页 › 📐 电路图 › 检测电路

📐 检测电路

📊 共 416 个电路图 🎨 设计参考
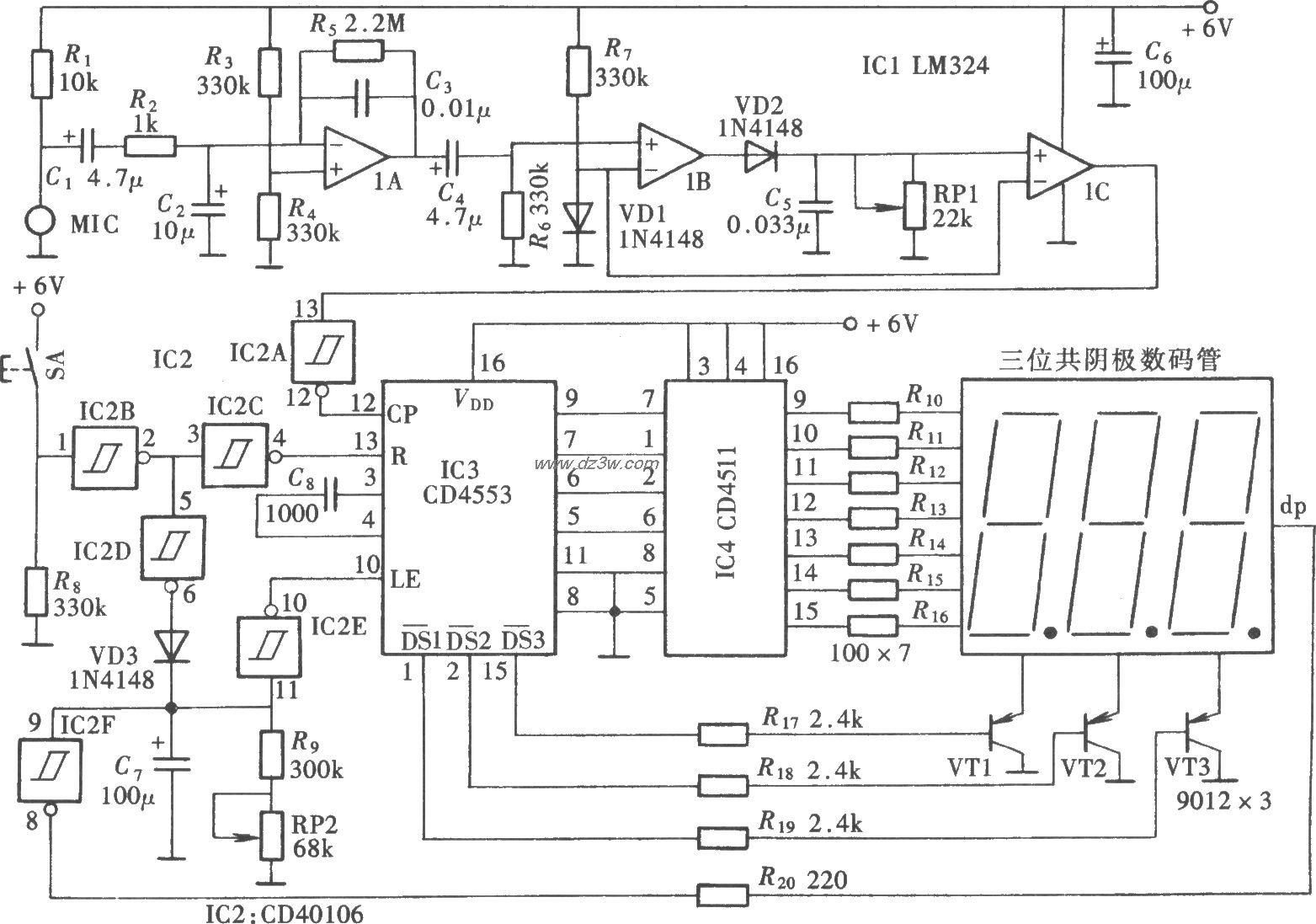
环境噪声监测仪电路电路图

环境噪声监测仪电路

📅 01-01 查看 →
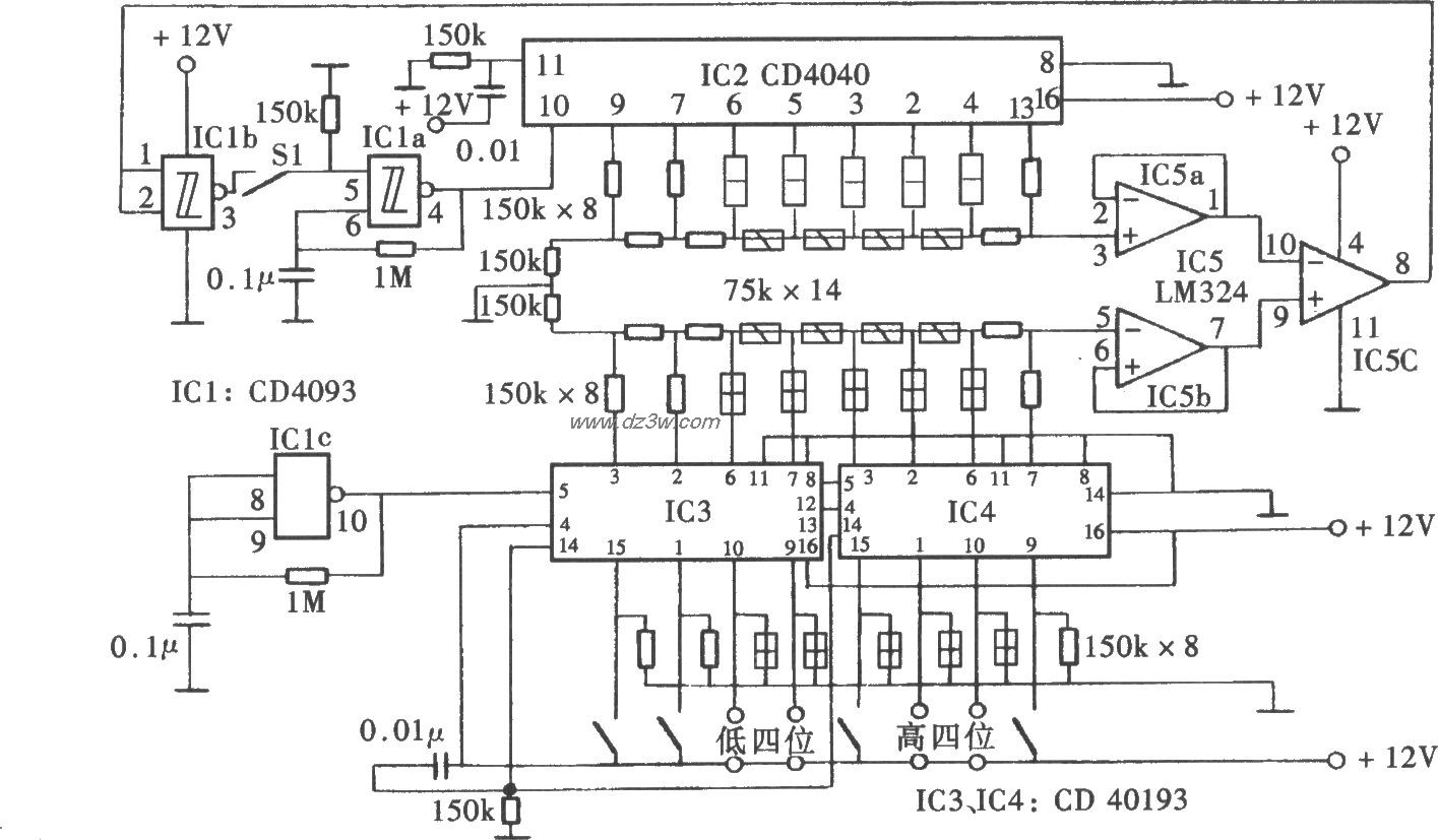
十六通道数显式自动巡检电路图

十六通道数显式自动巡检

📅 01-01 查看 →
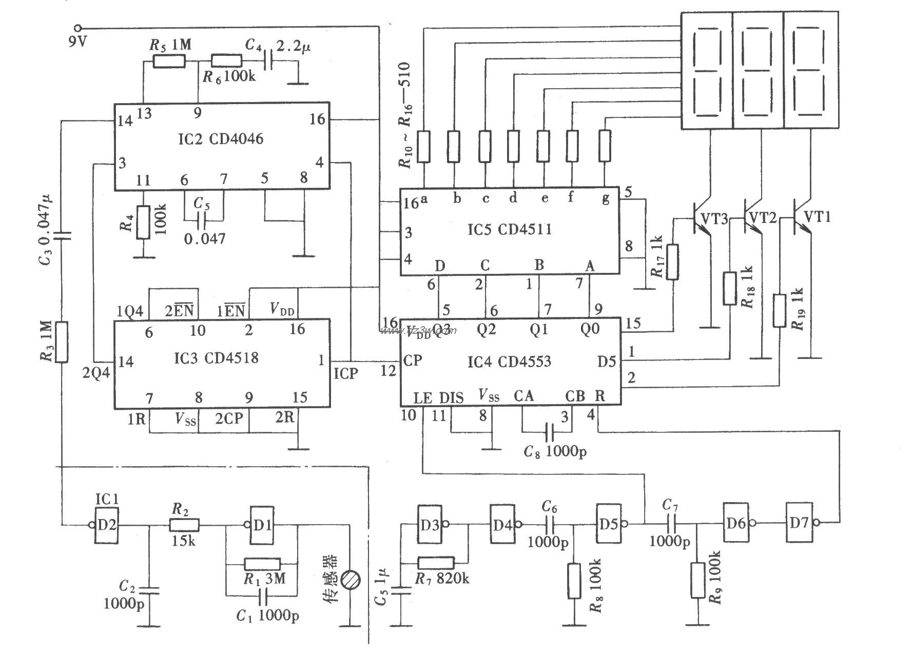
陶瓷晶体检测仪(CD4553、电路图

陶瓷晶体检测仪(CD4553、

📅 01-01 查看 →
电子式脉搏仪(CD4553、C电路图

电子式脉搏仪(CD4553、C

📅 01-01 查看 →
红外线式脉搏仪(NE555、电路图

红外线式脉搏仪(NE555、

📅 01-01 查看 →
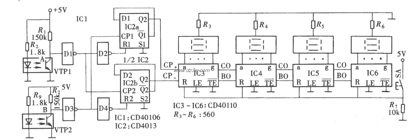
快速心率测量计(CD4518、电路图

快速心率测量计(CD4518、

📅 01-01 查看 →
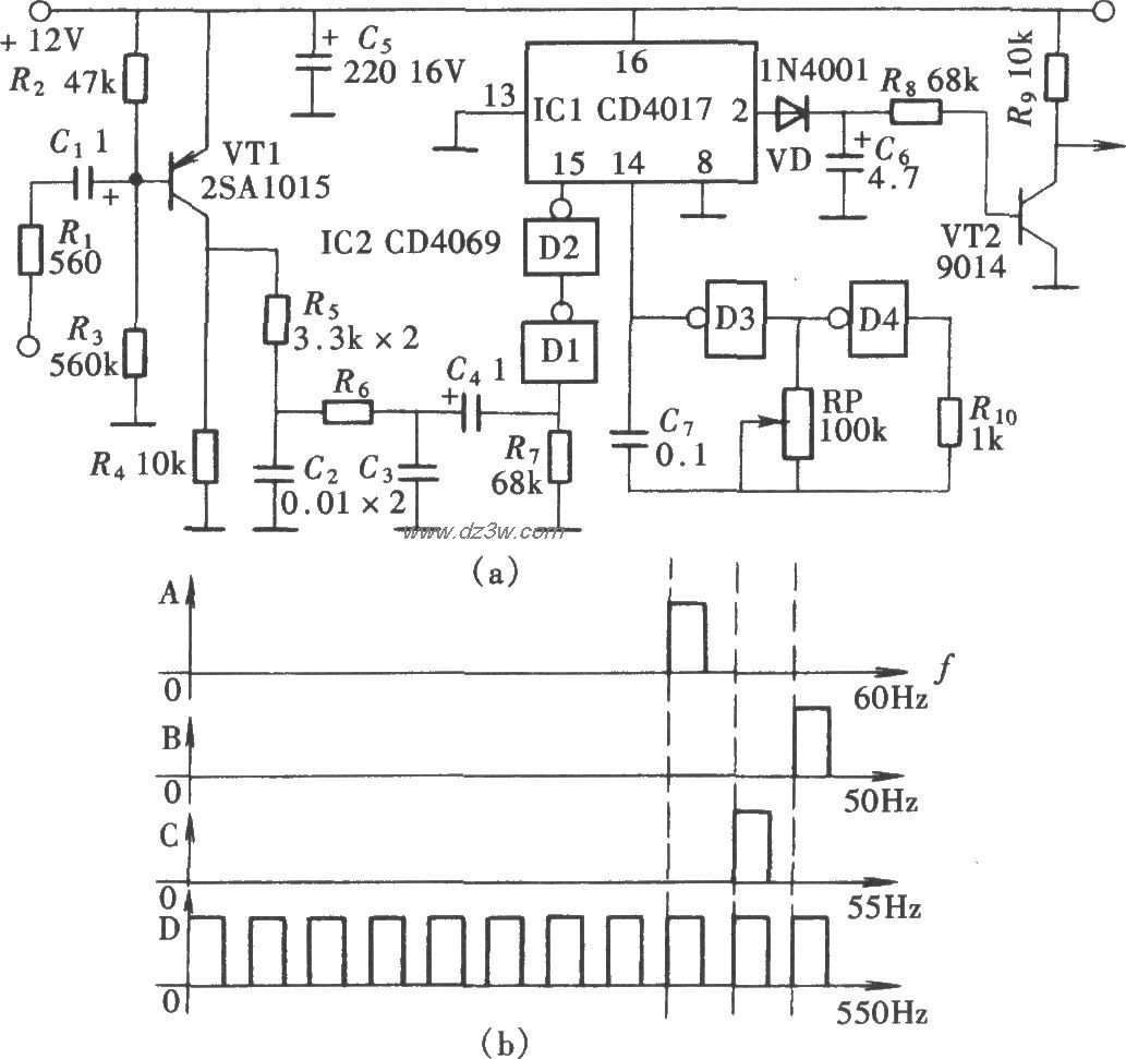
场频识别仪(CD4017)电路图

场频识别仪(CD4017)

📅 01-01 查看 →
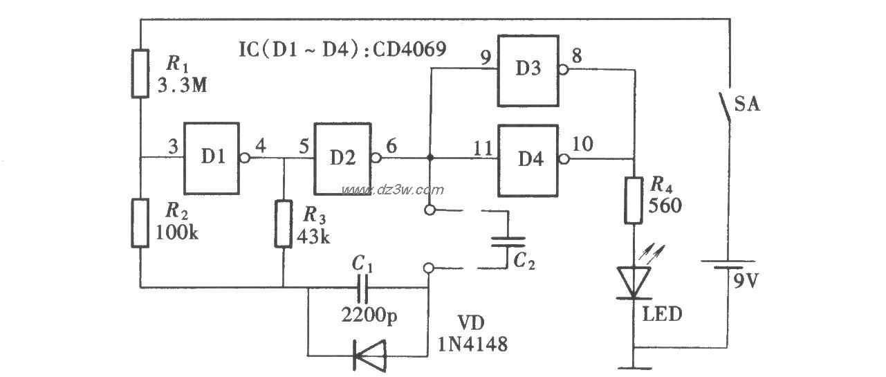
电容鉴别仪(CD4069)电路图

电容鉴别仪(CD4069)

📅 01-01 查看 →
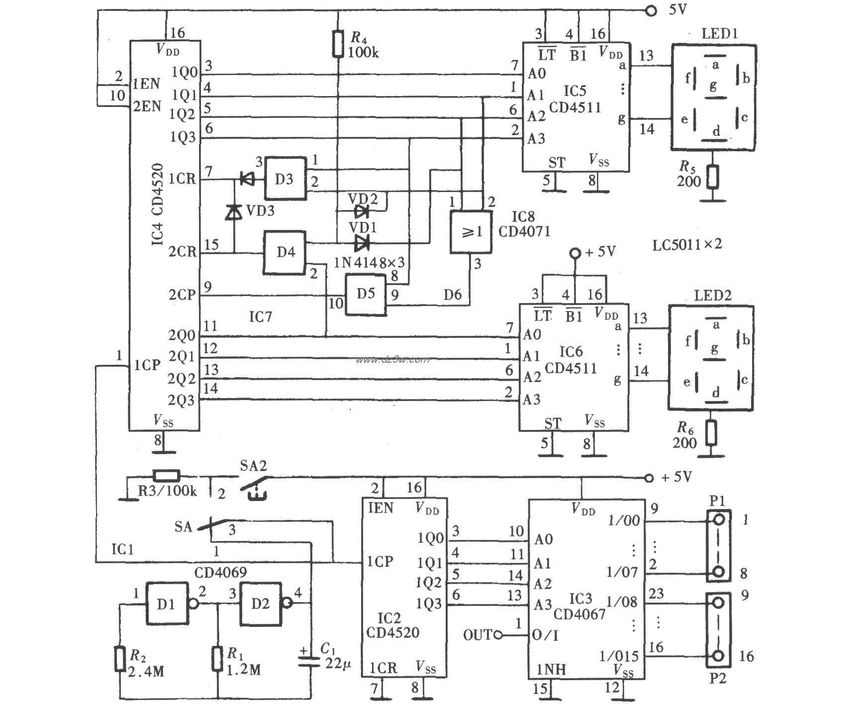
自行车速度表(CD4511、C电路图

自行车速度表(CD4511、C

📅 01-01 查看 →
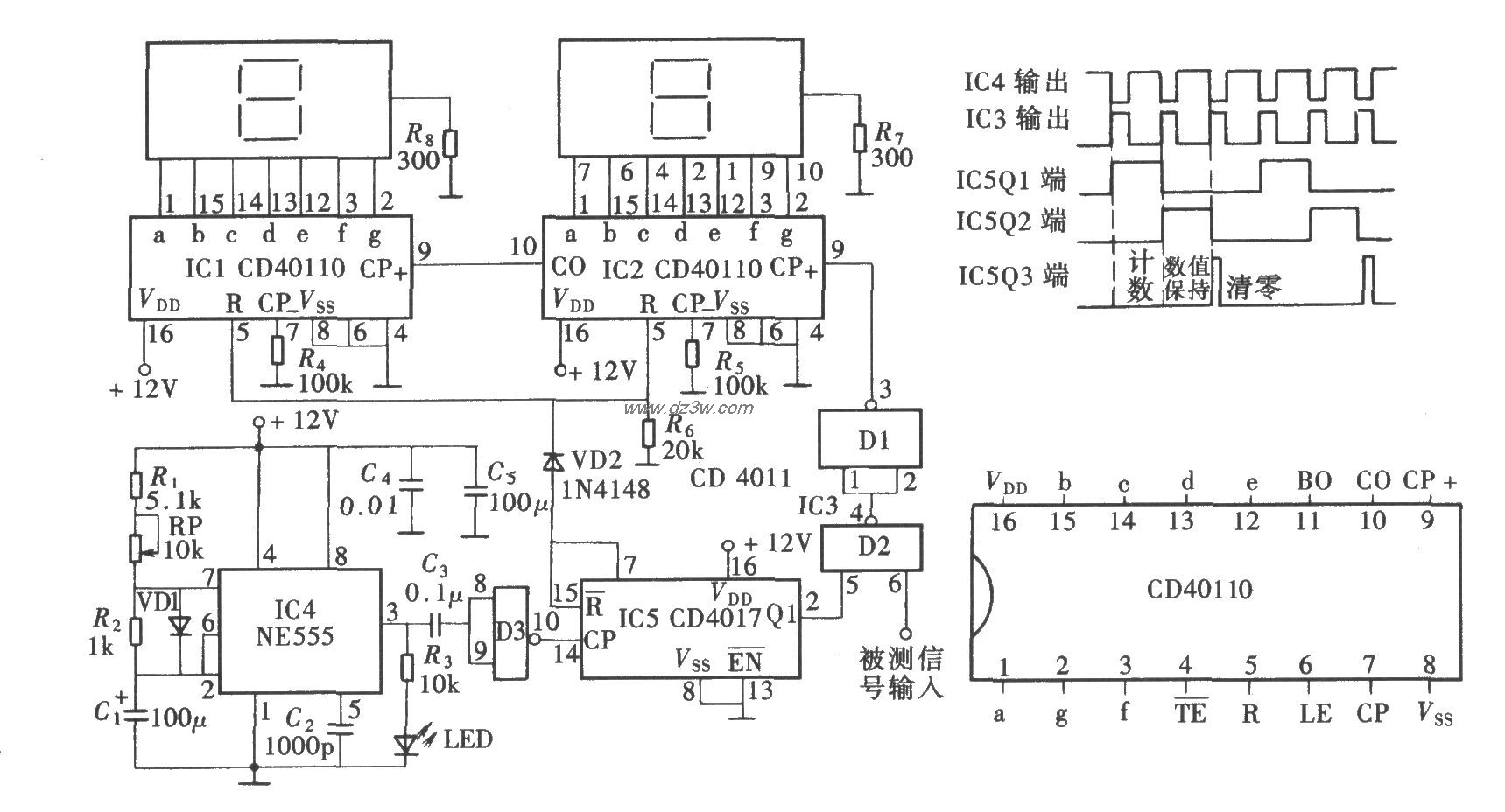
数字式频率计(CD40110、电路图

数字式频率计(CD40110、

📅 01-01 查看 →
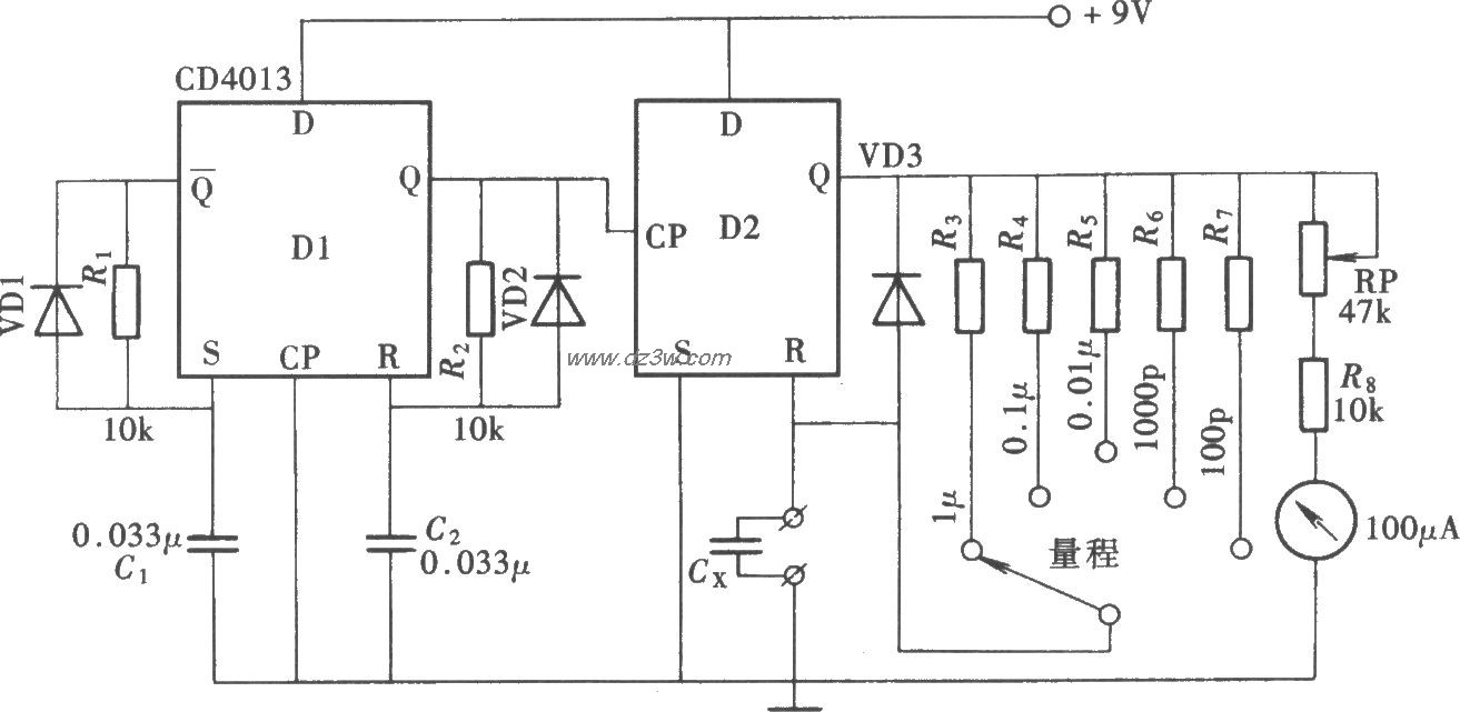
三位数字电容表(NE556、电路图

三位数字电容表(NE556、

📅 01-01 查看 →
四位数字电容表电路图

四位数字电容表

📅 01-01 查看 →
模拟式电容测量仪(CD401电路图

模拟式电容测量仪(CD401

📅 01-01 查看 →
用CD4017组成20进制计数电路图

用CD4017组成20进制计数

📅 01-01 查看 →
具有加减功能的绕线机电电路图

具有加减功能的绕线机电

📅 01-01 查看 →
任意数脉冲选取电路(1)(电路图

任意数脉冲选取电路(1)(

📅 01-01 查看 →
任意数脉冲选取电路(2)(电路图

任意数脉冲选取电路(2)(

📅 01-01 查看 →
电子校音仪电路(CD4017)电路图

电子校音仪电路(CD4017)

📅 01-01 查看 →
晶体管简易测试电路电路图

晶体管简易测试电路

📅 01-01 查看 →
晶体管在线检测仪(CD404电路图

晶体管在线检测仪(CD404

📅 01-01 查看 →
高灵敏度演示电表电路原电路图

高灵敏度演示电表电路原

📅 01-01 查看 →
高精度区间电压表电原理电路图

高精度区间电压表电原理

📅 01-01 查看 →
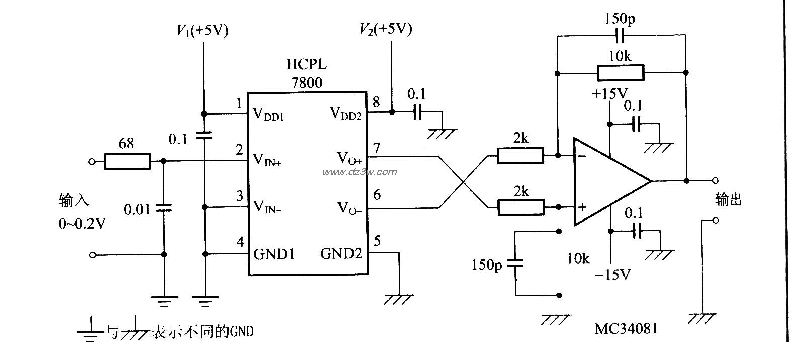
绝缘型直流电压检出电路电路图

绝缘型直流电压检出电路

📅 01-01 查看 →
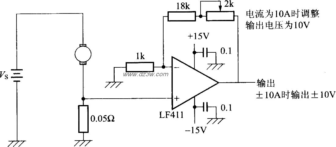
电流检测电路电路图

电流检测电路

📅 01-01 查看 →
利用载波的交流电压检出电路图

利用载波的交流电压检出

📅 01-01 查看 →
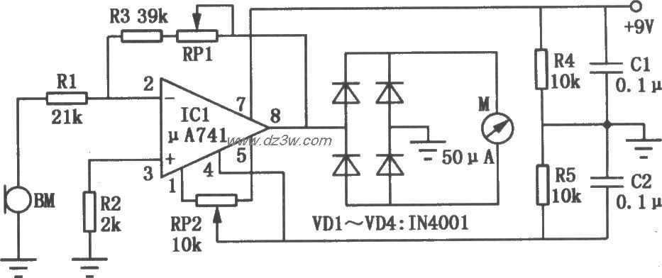
简易流量表电路图

简易流量表

📅 01-01 查看 →
  • 首页
  • « 上一页
  • 1
  • 2
  • 3
  • 4
  • 5
  • 6
  • 7
  • 8
  • 9
  • 10
🔐 用户登录
加载中...

加载登录表单中...

🎁 免费注册送10积分
加载中...

加载注册表单中...

🔑 找回密码
加载中...

加载表单中...

🔐 需要登录
🔒

登录后即可使用!

🎁 新用户注册立即送10积分
积分可用于下载资源,免费获取优质技术资料
🚪 退出登录
👋

确认要退出登录吗?

退出后需要重新登录才能下载资源

关于虫虫

虫虫下载站是专业的电子工程师资源分享平台,汇聚 622,478+ 优质资源,为工程师提供免费、专业的技术资料。

🌐

快速链接

  • 📦 资源下载
  • 📁 资源专辑
  • 📐 电路图库
  • 📚 电子书籍
  • 🧮 在线计算器

帮助中心

  • 📋 服务条款
  • ℹ️ 关于我们
  • ⚠️ 免责声明
  • 🗺️ 网站地图

联系我们

扫码关注我们

虫虫下载站二维码

虫虫小帮手

© 2011-2025 虫虫下载站 - 专业的电子工程师资源分享平台 | 让技术资源触手可及

京ICP备2021023401号-1