司机酒精检测报警控制器

📅 发布时间:2013-10-02 06:20 👁️ 浏览:0 🏷️ 标签: 检测 报警控制器

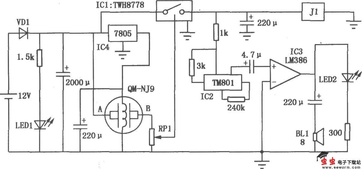
司机酒精检测报警控制器

如图所示是酒精检测报警控制器电路。QM-NJ9为酒精气敏传感器,若检测到酒精气味,则QM-NJ9的A-B间电阻变小,电位器RPl的滑动端电位升高。当该电位升高到l.6V时,ICl大功率开关器件TWH8778接通,使IC2语音集成电路TM801工作,其输出经IC3集成功放LM386进行功率放大后推动扬声器BLl发出报警声。同时,继电器J1得电动作,其动断触点断开,切断汽车点火电路,强制发动机熄火,达到控制司机酒后开车的目的。

觉得这篇文章有帮助吗?