
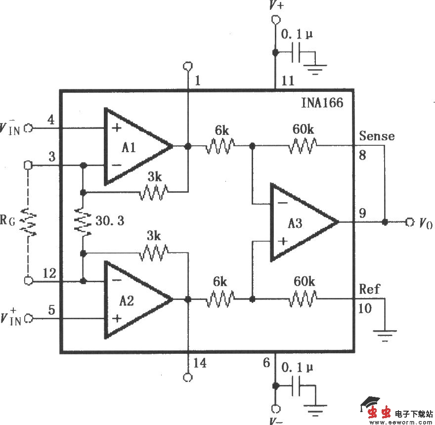
如图所示为INA166的信号和电源的基本连接电路。芯片电源端要用0.1μF钽电容滤波,PCB布线时应尽可能使钽电容靠近芯片电源脚放置。输出电压检测端Sense的连线、基准端Ref的连线必须是低阻连接,以确保有高的共模抑制比,如有5Ω串联电阻都将造成共模抑制比下降。内部固定增益为2000,其中输入级A1、A2增益为200,输出级A3增益为10。在3脚和12脚之间增加一个增益设定电阻RG可以改变放大器增益,增益G=2000 60000/RG。

如图所示为INA166的信号和电源的基本连接电路。芯片电源端要用0.1μF钽电容滤波,PCB布线时应尽可能使钽电容靠近芯片电源脚放置。输出电压检测端Sense的连线、基准端Ref的连线必须是低阻连接,以确保有高的共模抑制比,如有5Ω串联电阻都将造成共模抑制比下降。内部固定增益为2000,其中输入级A1、A2增益为200,输出级A3增益为10。在3脚和12脚之间增加一个增益设定电阻RG可以改变放大器增益,增益G=2000 60000/RG。