温度窗口超限告警电路(MAX6502/4)

📅 发布时间:2013-10-03 08:35 👁️ 浏览:1 🏷️ 标签: 6502 MAX 温度 窗口

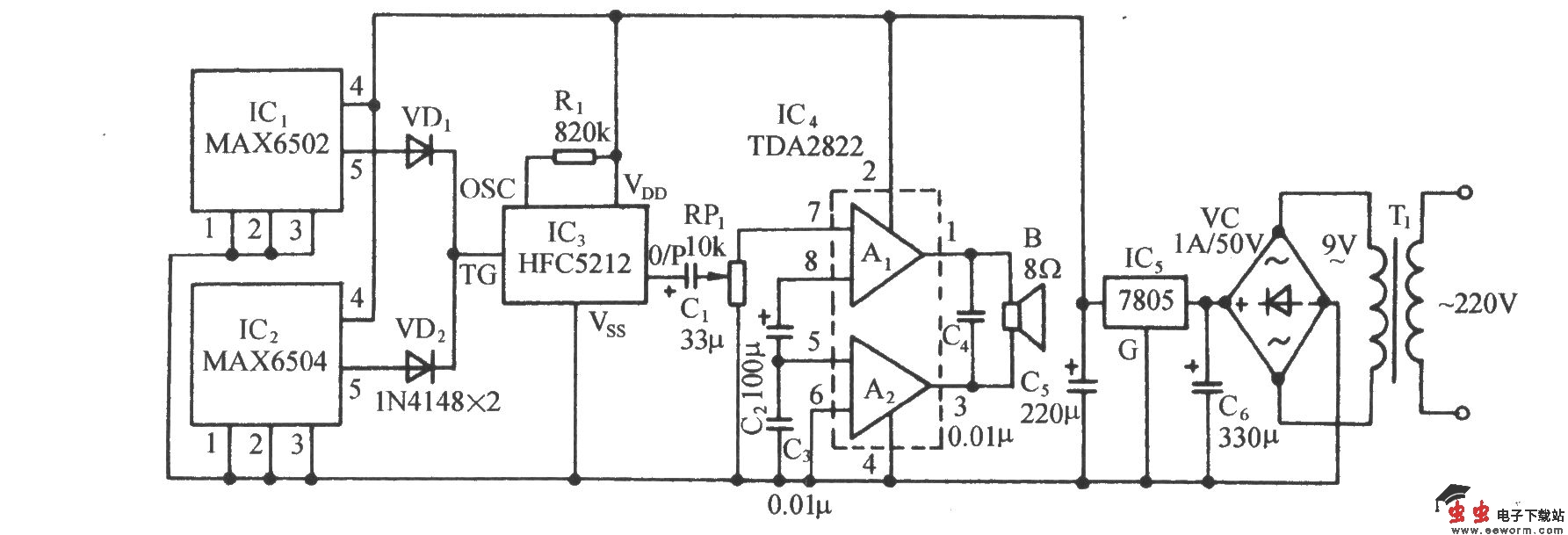
温度窗口超限告警电路(MAX6502/4)

如图所示电路,它由上下限温度检测电路、语音发声电路、音频功放电路和交流降压整流电路等组成。温度上限监测器由温度开关集成电路MAX6502进行监测,它能将被监测的物件的温度转换为相应的电信号,当信号电压超过设定的阈值温度(例如55oC)时,温度开关内的电压较器经比较、判决,由单稳态触发器输出一整形脉冲,并由推挽输出级输出一高电平控制信号。该信号经VD1加至发声电路IC3的触发端TG,使其触发发声。

觉得这篇文章有帮助吗?