⭐ 欢迎来到虫虫下载站! | 📦 资源下载 📁 资源专辑 ℹ️ 关于我们
⭐ 虫虫下载站
🔐 登录 📝 注册
虫虫下载站
虫虫下载站
专业电子工程师资源平台
📤 上传资源
  • 🏠 首页
  • 📦 资源下载
  • 📁 资源专辑
  • 🔧 热门软件
  • ⭐ 精品资源
  • 🎓 基础知识
  • 📐 电路图
  • 📚 电子书
  • 🔢 在线计算器
  • 🔍 代码搜索
🏠 首页 › 📐 电路图 › 功放电路

📐 功放电路

📊 共 1879 个电路图 🎨 设计参考
由双宽带跨导型运算放大器OPA2662构成的模拟-数字视频磁带录制放电路图

由双宽带跨导型运算放大器OPA2662构成的模拟-数字视频磁带录制放

📅 01-01 查看 →
由双宽带跨导型运算放大器OPA2662构成的电流分配多路复用电路电路图

由双宽带跨导型运算放大器OPA2662构成的电流分配多路复用电路

📅 01-01 查看 →
宽带跨导型运算放大和缓冲器OPA660的电流反馈放大电路电路图

宽带跨导型运算放大和缓冲器OPA660的电流反馈放大电路

📅 01-01 查看 →
宽带跨导型运算放大和缓冲器OPA660的共基极(共-B)放大电路电路图

宽带跨导型运算放大和缓冲器OPA660的共基极(共-B)放大电路

📅 01-01 查看 →
宽带跨导型运算放大和缓冲器OPA660共集电极(共-C)放大电路电路图

宽带跨导型运算放大和缓冲器OPA660共集电极(共-C)放大电路

📅 01-01 查看 →
由双宽带跨导型运算放大器OPA2662构成的二通道电流输出驱动电路电路图

由双宽带跨导型运算放大器OPA2662构成的二通道电流输出驱动电路

📅 01-01 查看 →
OPA660宽带跨导型运算放大和缓冲器电路图

OPA660宽带跨导型运算放大和缓冲器

📅 01-01 查看 →
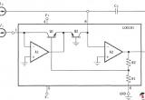
精密对数和对数比率放大器LOG100电路图

精密对数和对数比率放大器LOG100

📅 01-01 查看 →
宽带跨导型运算放大和缓冲器OPA660的逻辑控制禁止电路电路图

宽带跨导型运算放大和缓冲器OPA660的逻辑控制禁止电路

📅 01-01 查看 →
双宽带跨导型运算放大器OPA2662的静态电流设置曲线与电路电路图

双宽带跨导型运算放大器OPA2662的静态电流设置曲线与电路

📅 01-01 查看 →
对数和对数比率放大器LOGl00的偏流调零电路电路图

对数和对数比率放大器LOGl00的偏流调零电路

📅 01-01 查看 →
双宽带跨导型运算放大器OPA2662的信号和电源的基本连接电路电路图

双宽带跨导型运算放大器OPA2662的信号和电源的基本连接电路

📅 01-01 查看 →
由精密对数和对数比率放大器LOG102构成的增大输出电压技术电路电路图

由精密对数和对数比率放大器LOG102构成的增大输出电压技术电路

📅 01-01 查看 →
两个采样保持放大器LF198构成的差分输入保持电璐电路图

两个采样保持放大器LF198构成的差分输入保持电璐

📅 01-01 查看 →
I1为负、I2为正时的对数变换功能电路(对数放大器4127)电路图

I1为负、I2为正时的对数变换功能电路(对数放大器4127)

📅 01-01 查看 →
由对数和对数比率放大器LOG101/104构成的测量雪崩光电二极管电路图

由对数和对数比率放大器LOG101/104构成的测量雪崩光电二极管

📅 01-01 查看 →
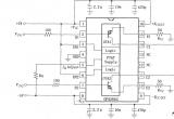
SMP08/18八采样保持放大器电路图

SMP08/18八采样保持放大器

📅 01-01 查看 →
由对数放大器4127构成的反对数电路电路图

由对数放大器4127构成的反对数电路

📅 01-01 查看 →
两个采样保持放大器LF398构成的阶梯波发生电路电路图

两个采样保持放大器LF398构成的阶梯波发生电路

📅 01-01 查看 →
对数与对数比率放大器LOG101/104的单电源 5V供电工作电路电路图

对数与对数比率放大器LOG101/104的单电源 5V供电工作电路

📅 01-01 查看 →
I1为负、I2为正时的对数变换功能电路(对数放大器4127)电路图

I1为负、I2为正时的对数变换功能电路(对数放大器4127)

📅 01-01 查看 →
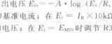
输入电压E1为正时的对数变换功能电路(对数放大器4127)电路图

输入电压E1为正时的对数变换功能电路(对数放大器4127)

📅 01-01 查看 →
采样保持放大器LF398用做二通道开关电路电路图

采样保持放大器LF398用做二通道开关电路

📅 01-01 查看 →
由对数和对数比率放大器LOG100构成的反对数电路电路图

由对数和对数比率放大器LOG100构成的反对数电路

📅 01-01 查看 →
I1和I2为负时的对数变换功能电路(对数放大器4127)电路图

I1和I2为负时的对数变换功能电路(对数放大器4127)

📅 01-01 查看 →
输入电流I1为负时的对数变换功能电路(对数放大器4127)电路图

输入电流I1为负时的对数变换功能电路(对数放大器4127)

📅 01-01 查看 →
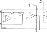
LOG101/104精密对数和对数比率放大器电路图

LOG101/104精密对数和对数比率放大器

📅 01-01 查看 →
采样保持放大器LF398的直流和交流调零电路电路图

采样保持放大器LF398的直流和交流调零电路

📅 01-01 查看 →
输入电流I1为正时的对数变换功能电路(对数放大器4127)电路图

输入电流I1为正时的对数变换功能电路(对数放大器4127)

📅 01-01 查看 →
对数和对数比率放大器LOG101/104的信号和电源的基本连接电路电路图

对数和对数比率放大器LOG101/104的信号和电源的基本连接电路

📅 01-01 查看 →
  • 首页
  • « 上一页
  • 1
  • 2
  • 3
  • 4
  • 5
  • 6
  • 7
  • 8
  • 9
  • 10
  • 下一页 »
  • 末页
🔐 用户登录
加载中...

加载登录表单中...

🎁 免费注册送10积分
加载中...

加载注册表单中...

🔑 找回密码
加载中...

加载表单中...

🔐 需要登录
🔒

登录后即可使用!

🎁 新用户注册立即送10积分
积分可用于下载资源,免费获取优质技术资料
🚪 退出登录
👋

确认要退出登录吗?

退出后需要重新登录才能下载资源

关于虫虫

虫虫下载站是专业的电子工程师资源分享平台,汇聚 622,478+ 优质资源,为工程师提供免费、专业的技术资料。

🌐

快速链接

  • 📦 资源下载
  • 📁 资源专辑
  • 📐 电路图库
  • 📚 电子书籍
  • 🧮 在线计算器

帮助中心

  • 📋 服务条款
  • ℹ️ 关于我们
  • ⚠️ 免责声明
  • 🗺️ 网站地图

联系我们

扫码关注我们

虫虫下载站二维码

虫虫小帮手

© 2011-2025 虫虫下载站 - 专业的电子工程师资源分享平台 | 让技术资源触手可及

京ICP备2021023401号-1