对数和对数比率放大器LOG101/104的信号和电源的基本连接电路

📅 发布时间:2013-10-06 18:10 👁️ 浏览:0 🏷️ 标签: LOG 101 104 对数

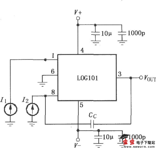
对数和对数比率放大器LOG101/104的信号和电源的基本连接电路

如图所示为LOG101/104的信号和电源的基本连接电路。信号电流I1、I2输入1脚和8脚,3脚输出电压VOUT=(1V)·log(I1/I2)。为了减小导线电感的影响,正、负电源端必须加去耦电容,采用10μF钽电容和1000pF瓷介电容并联构成去耦电容,其中1000pF瓷介电容主要用于滤除高频噪声。

觉得这篇文章有帮助吗?