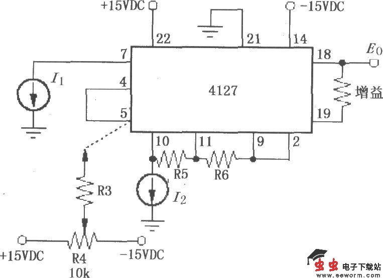
I1和I2为负时的对数变换功能电路(对数放大器4127)

📅 发布时间:2013-10-06 18:40 👁️ 浏览:1 🏷️ 标签: 4127 对数 变换 功能电路

I1和I2为负时的对数变换功能电路(对数放大器4127)

如图所示为信号I1、I2以电流形式输入,且均为负时的输出对数变换功能电路。当输入I1和I2

I1和I2为负时的对数变换功能电路(对数放大器4127) 

觉得这篇文章有帮助吗?