由对数放大器4127构成的反对数电路

📅 发布时间:2013-10-06 19:20 👁️ 浏览:0 🏷️ 标签: 4127 对数放大器 对数 电路

由对数放大器4127构成的反对数电路 

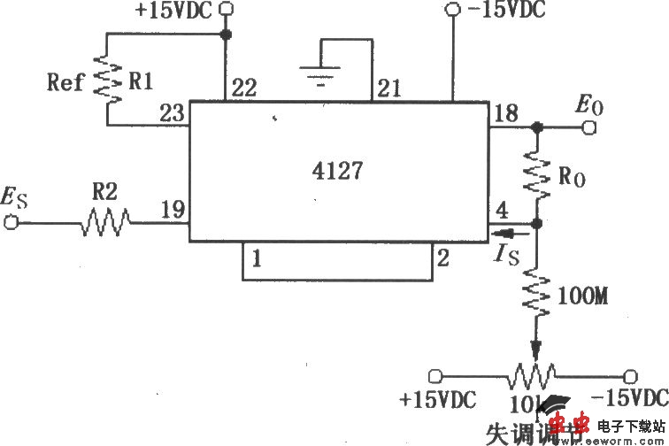
如图所示为由4127构成的反对数电路。4127具有反对数功能,输出端通过电阻Ro,连接到4

由对数放大器4127构成的反对数电路 

觉得这篇文章有帮助吗?