对数和对数比率放大器LOGl00的偏流调零电路

📅 发布时间:2013-10-06 20:00 👁️ 浏览:1 🏷️ 标签: LOGl 对数 00 比率

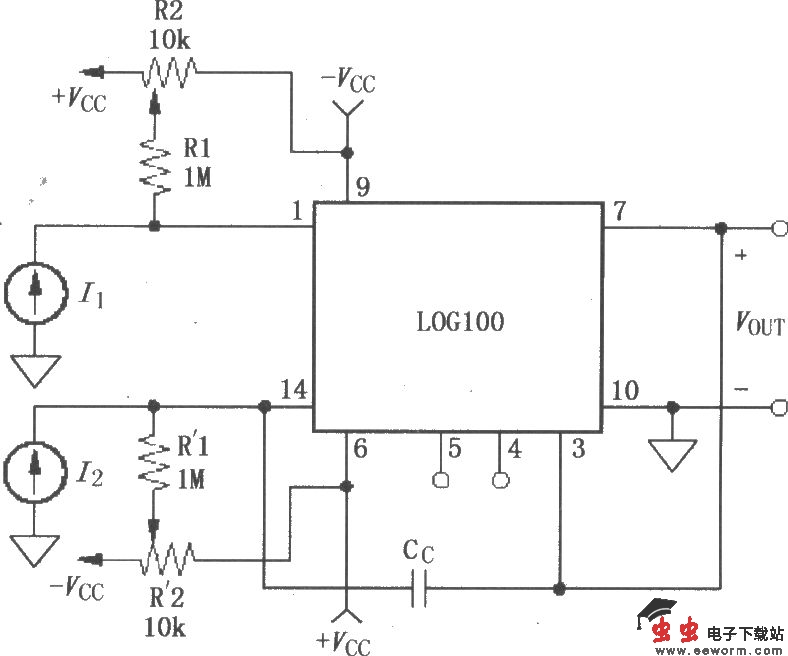
对数和对数比率放大器LOGl00的偏流调零电路

如图所示为LOG100的偏流调零电路。该电路中采用两个10kΩ电位器R2、R'2,对内部放大器A1、A2的输入偏流进行调零。内部放大器A1、A2是场效应晶体管(FET)输入,因此具有FET输入偏流特性,即温度每增加10℃输入偏流增加一倍。这种偏流调零电路只能用于温度十分稳定的场合。

觉得这篇文章有帮助吗?