
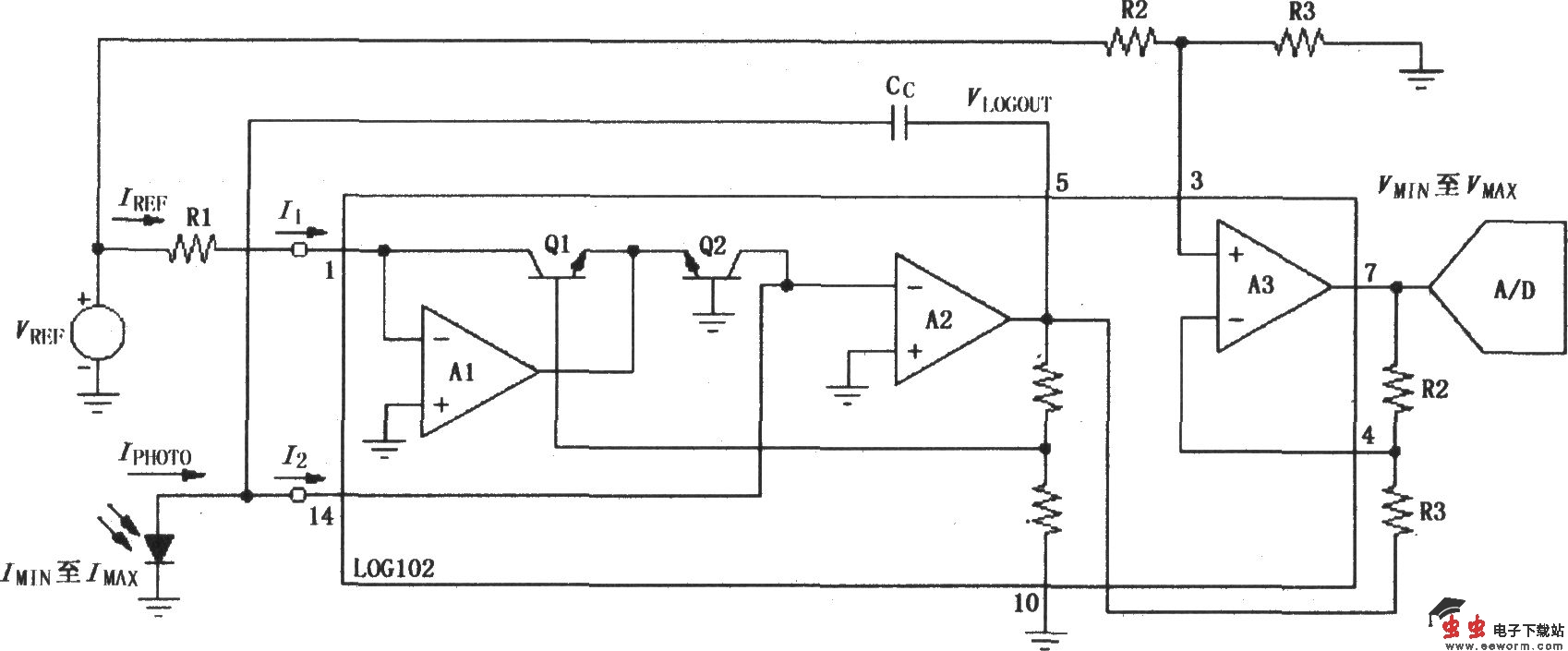
如图所示为由LOG102构成的增大输出电压技术的电路。在许多光学传感器检测应用中,增大输出电压技术如同增大光电二极管电流功能一样重要。图中电路用一个大的基准电压源产生基准电流,将LOG102输入失调电压引起的误差减小到最小,基准电流IREF流入I1,光电二极管电流IPHOTO流入I2,设计时使IREF大于IPHOTO即可满足犟求。内部放大器A3的作用为产生反相增益的电平移位,用以标定输入光电二极管电流与对应输入A/D转换器的范围。

如图所示为由LOG102构成的增大输出电压技术的电路。在许多光学传感器检测应用中,增大输出电压技术如同增大光电二极管电流功能一样重要。图中电路用一个大的基准电压源产生基准电流,将LOG102输入失调电压引起的误差减小到最小,基准电流IREF流入I1,光电二极管电流IPHOTO流入I2,设计时使IREF大于IPHOTO即可满足犟求。内部放大器A3的作用为产生反相增益的电平移位,用以标定输入光电二极管电流与对应输入A/D转换器的范围。