⭐ 欢迎来到虫虫下载站! | 📦 资源下载 📁 资源专辑 ℹ️ 关于我们
⭐ 虫虫下载站
🔐 登录 📝 注册
虫虫下载站
虫虫下载站
专业电子工程师资源平台
📤 上传资源
  • 🏠 首页
  • 📦 资源下载
  • 📁 资源专辑
  • 🔧 热门软件
  • ⭐ 精品资源
  • 🎓 基础知识
  • 📐 电路图
  • 📚 电子书
  • 🔢 在线计算器
  • 🔍 代码搜索
🏠 首页 › 📐 电路图 › 功放电路

📐 功放电路

📊 共 1879 个电路图 🎨 设计参考
采样保持放大器SMP04用做多路输出选择器电路图

采样保持放大器SMP04用做多路输出选择器

📅 01-01 查看 →
4127对数放大器电路图

4127对数放大器

📅 01-01 查看 →
AD783高速采样保持放大器电路图

AD783高速采样保持放大器

📅 01-01 查看 →
对数与对数比率放大器LOG100的电流反向输入电路电路图

对数与对数比率放大器LOG100的电流反向输入电路

📅 01-01 查看 →
采样保持放大器AD781与AD674的接口电路电路图

采样保持放大器AD781与AD674的接口电路

📅 01-01 查看 →
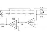
由SMP04与仪表放大器构成的时间增量采样差分测量电路电路图

由SMP04与仪表放大器构成的时间增量采样差分测量电路

📅 01-01 查看 →
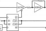
数据采集系统基本接地和耦合电路(采样保持放大器AD783)电路图

数据采集系统基本接地和耦合电路(采样保持放大器AD783)

📅 01-01 查看 →
采样保持放大器AD9100超高速跟踪保持放大器电路图

采样保持放大器AD9100超高速跟踪保持放大器

📅 01-01 查看 →
采样保持放大器AD9100接口的测试板电路电路图

采样保持放大器AD9100接口的测试板电路

📅 01-01 查看 →
AD781采样保持放大器电路图

AD781采样保持放大器

📅 01-01 查看 →
采样保持放大器AD9101的基本连接电路电路图

采样保持放大器AD9101的基本连接电路

📅 01-01 查看 →
AD9101高速采样放大器电路图

AD9101高速采样放大器

📅 01-01 查看 →
由SMP04与仪表放大器构成的具有防护驱动的 12V单电源采样仪器放电路图

由SMP04与仪表放大器构成的具有防护驱动的 12V单电源采样仪器放

📅 01-01 查看 →
HA5320/883高速精密采样保持放大器电路图

HA5320/883高速精密采样保持放大器

📅 01-01 查看 →
采样保持放大器AD9101接口电路电路图

采样保持放大器AD9101接口电路

📅 01-01 查看 →
采样保持放大器AD783与AD670的接口电路电路图

采样保持放大器AD783与AD670的接口电路

📅 01-01 查看 →
SMP04 CMOS四采样保持放大器电路图

SMP04 CMOS四采样保持放大器

📅 01-01 查看 →
采样保持放大器AD783与AD671的接口电路电路图

采样保持放大器AD783与AD671的接口电路

📅 01-01 查看 →
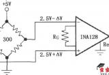
由INA128构成的有冷端补偿的热电偶放大器电路图

由INA128构成的有冷端补偿的热电偶放大器

📅 01-01 查看 →
高共模电压差分放大器INA117电路图

高共模电压差分放大器INA117

📅 01-01 查看 →
HA5340/883高速精密单片采样保持放大器电路图

HA5340/883高速精密单片采样保持放大器

📅 01-01 查看 →
右腿驱动的ECG放大器(INA114)电路图

右腿驱动的ECG放大器(INA114)

📅 01-01 查看 →
单片采样保持放大器LF198/298/398电路图

单片采样保持放大器LF198/298/398

📅 01-01 查看 →
由INA128构成的交流耦合仪表放大器电路图

由INA128构成的交流耦合仪表放大器

📅 01-01 查看 →
INA131精密仪表放大器电路图

INA131精密仪表放大器

📅 01-01 查看 →
AD585高速精密采样保持放大器电路图

AD585高速精密采样保持放大器

📅 01-01 查看 →
由INAl28构成的电阻电桥放大器电路图

由INAl28构成的电阻电桥放大器

📅 01-01 查看 →
具有冷端补偿的热电偶放大电路(INA114)电路图

具有冷端补偿的热电偶放大电路(INA114)

📅 01-01 查看 →
INAl28/129精密低功率仪表放大器电路图

INAl28/129精密低功率仪表放大器

📅 01-01 查看 →
由INA118构成的有冷端补偿的热电偶放大器电路图

由INA118构成的有冷端补偿的热电偶放大器

📅 01-01 查看 →
  • 首页
  • « 上一页
  • 1
  • 2
  • 3
  • 4
  • 5
  • 6
  • 7
  • 8
  • 9
  • 10
  • 下一页 »
  • 末页
🔐 用户登录
加载中...

加载登录表单中...

🎁 免费注册送10积分
加载中...

加载注册表单中...

🔑 找回密码
加载中...

加载表单中...

🔐 需要登录
🔒

登录后即可使用!

🎁 新用户注册立即送10积分
积分可用于下载资源,免费获取优质技术资料
🚪 退出登录
👋

确认要退出登录吗?

退出后需要重新登录才能下载资源

关于虫虫

虫虫下载站是专业的电子工程师资源分享平台,汇聚 622,478+ 优质资源,为工程师提供免费、专业的技术资料。

🌐

快速链接

  • 📦 资源下载
  • 📁 资源专辑
  • 📐 电路图库
  • 📚 电子书籍
  • 🧮 在线计算器

帮助中心

  • 📋 服务条款
  • ℹ️ 关于我们
  • ⚠️ 免责声明
  • 🗺️ 网站地图

联系我们

扫码关注我们

虫虫下载站二维码

虫虫小帮手

© 2011-2025 虫虫下载站 - 专业的电子工程师资源分享平台 | 让技术资源触手可及

京ICP备2021023401号-1