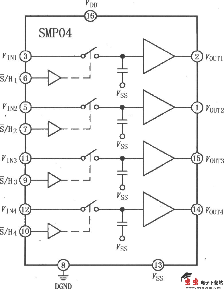
SMP04是一个单片四采样保持放大器,它有4个内部精密缓冲放大器和内部保持电容。采用模拟器件公司先进的氧化物绝缘CMOS技术构成的数据采集和信号处理系统,获得所需的高精度、低下降率和快速采样时间。该器件在低于4μs内获得8bit输入可达±0.5LSB。SMP04可以单电源或双电源工作,兼容TTL/CMOS逻辑,输出摆幅包含了负电源。SMP04是宽变化范围的采样保持、包括放大器失调和VCA增益调节应用的理想选择,可以将其中一个或多个采样保持放大器用于单路或多路DACs,以在系统内提供多路调整点,其价格和尺寸比同类模块或直接设计减低。SMP04采用16引脚密封或DIP封装和表面SOIC封装,其引脚排列如图所示。

内部框图: