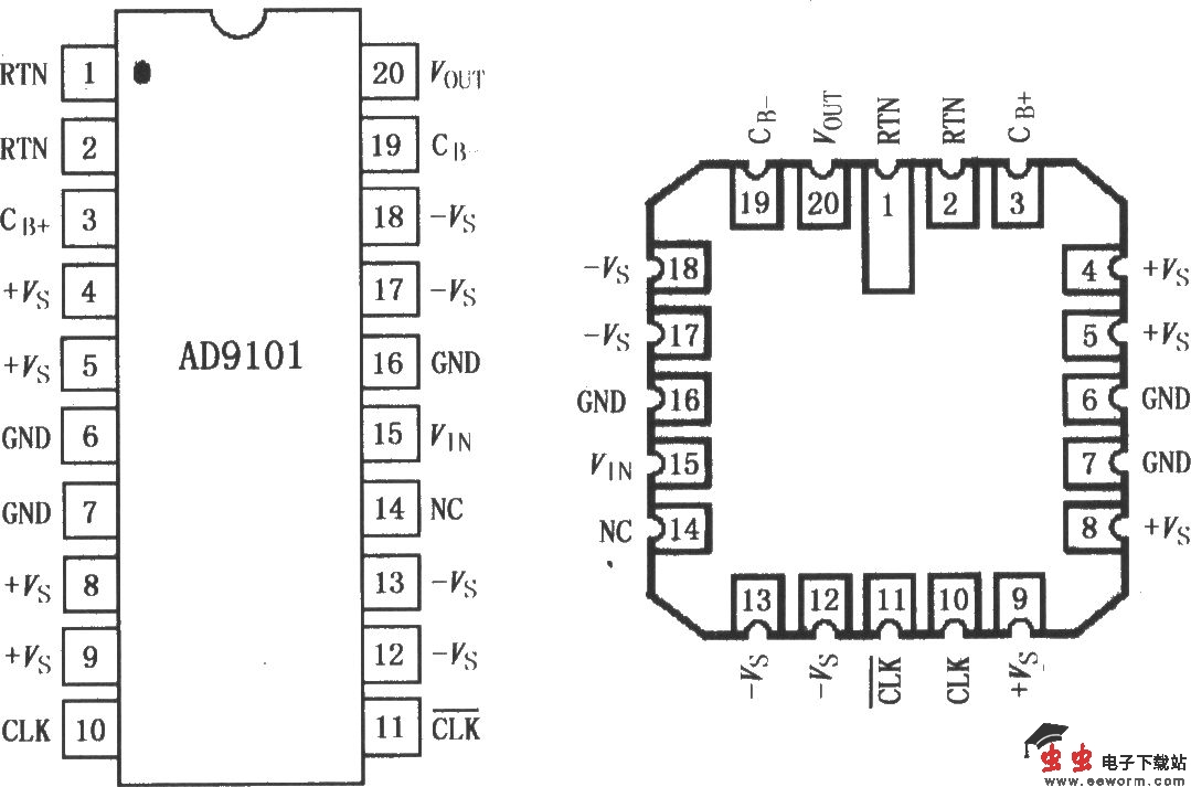
AD9101是一个非常精确的、通用型、高速采样放大器,其高速和精确采样特性使之可用于分辨率性能相对于频率的一个很宽的范围。在时钟率为125MSPS或50 MSPS时,AD9101分别有8~12bit精确度,是市场上所有8~12bit A/D编码器的首选理想驱动器件。AD9101包含一个中间放大器,这种结构允许前端采样器工作在相对低的信号幅度,结果是在维持低功率条件下使跟踪和保持模式失真得到改进。最佳设计的输卅放大器有着大信号快速和精确建立特性,即使在重负载条件下也是如此。输出放大器的快速线性化建立性能导致放大器对于采样器低信号电平失真是透明的,采样时,输出失真电平仅仅反映采样器本身的失真特性。在将AD9101用于高速变换器时可以发现信噪比(SNR)和失真有很大改进。通常快速变换器要求在直流和低频有着极好的线性度,然而,当一个信号转换速率增加时它的性能将下降,这是因为内部比较器窗口延时变化和有限的增益带宽积限制所造成的。AD9101的引脚排列如图所示。

内部功能框图: