
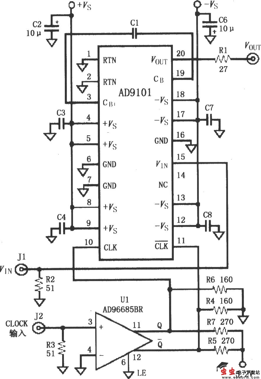
如图所示为AD9101的基本连接电路。AD9101内置有保持电容CHOLD,采样保持控制由CLOCK、CLOCK非完成。按基本连接图的接法,RTN接地则保持放大器增益为4。时钟输入“CLOCK输入”加到模拟器件公司的超快比较器AD96685BR的同相输入端,Q、Q非输出后送到AD9100的CLK和CLK非(10、11脚),作为采样保持控制信号。图中未标注的电容器均取0.01μF;选择R1时应以负载电容为准,即考虑短路时负载电容低于6pF的情况发生。

如图所示为AD9101的基本连接电路。AD9101内置有保持电容CHOLD,采样保持控制由CLOCK、CLOCK非完成。按基本连接图的接法,RTN接地则保持放大器增益为4。时钟输入“CLOCK输入”加到模拟器件公司的超快比较器AD96685BR的同相输入端,Q、Q非输出后送到AD9100的CLK和CLK非(10、11脚),作为采样保持控制信号。图中未标注的电容器均取0.01μF;选择R1时应以负载电容为准,即考虑短路时负载电容低于6pF的情况发生。