高共模电压差分放大器INA117

📅 发布时间:2013-10-06 15:15 👁️ 浏览:0 🏷️ 标签: INA 117 共模电压 差分放大器

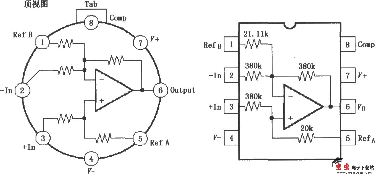
INA117是精密单位增益差分仪表放大器,具有很高的共模输入电压范围。内部包含一个精密运放和集成薄膜电阻网络。INA117能够在高达±500V瞬间共模信号中精确测量微弱的差分电压。在许多应用场合,电气隔离不是必需的,INA117能够替代隔离放大器。这可以取消输入端昂贵的电源,消除纹波、噪声和静电电流的影响。INA117具有0.001%的非线性失真和200kHz带宽,其性能优于普通隔离放大器。INA117采用8脚微型塑封DIP和SO-8表面封装,温度范围为0~ 70℃;TO-99金属封装的温度范围为-25~ 85℃和-55~ 125℃。INA117的引脚排列如图所示。

高共模电压差分放大器INA117 

觉得这篇文章有帮助吗?