
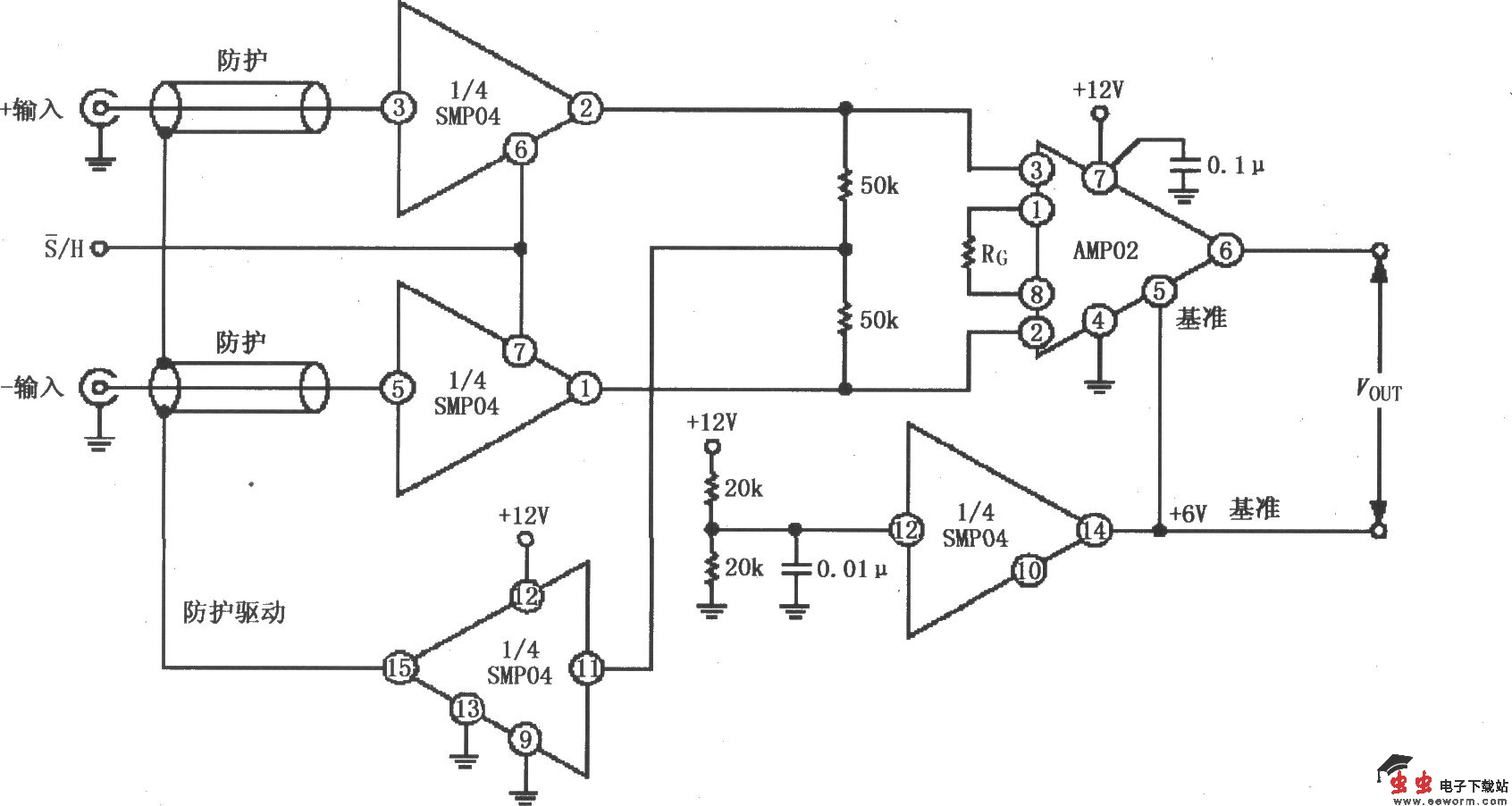
如图所示为由SMP04与仪表放大器构成的具有防护驱动的 12V单电源采样仪器放大电路。该电路同样是利用采样保持放大器SMP04的两个通道,与仪表放大器AMP02构成差分采样,信号输入(±)SMP04后,经过采样保持后送到AMP02差分放大输出。同一封装内的另外两个采样保持放大器的控制端S非/H始终接地,因此处于采样状态。其中一个用于驱动屏蔽线,以防护共模电压造成的干扰;另一个用于对AMP02提供 6V基准电压。

如图所示为由SMP04与仪表放大器构成的具有防护驱动的 12V单电源采样仪器放大电路。该电路同样是利用采样保持放大器SMP04的两个通道,与仪表放大器AMP02构成差分采样,信号输入(±)SMP04后,经过采样保持后送到AMP02差分放大输出。同一封装内的另外两个采样保持放大器的控制端S非/H始终接地,因此处于采样状态。其中一个用于驱动屏蔽线,以防护共模电压造成的干扰;另一个用于对AMP02提供 6V基准电压。