采样保持放大器AD9101接口电路

📅 发布时间:2013-10-06 16:15 👁️ 浏览:1 🏷️ 标签: 9101 AD 采样 保持放大器

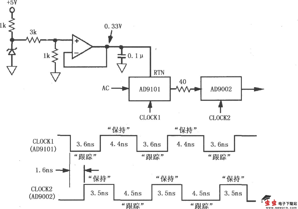
采样保持放大器AD9101接口电路

如图所示为AD9101用于快速(Flash)采样的接口电路。当信号频率增加时,传统的快速采样电路不得不牺牲动态范围以换取整体性能的稳定。图中电路采用AD9101与高速8位A/D转换器AD9002配合,目的在于提升Flash ADC的高频性能;同时用稳压管与运放电压跟随器输出,将AD9101的RTN脚电位抬高到0.33V。

觉得这篇文章有帮助吗?