⭐ 欢迎来到虫虫下载站! | 📦 资源下载 📁 资源专辑 ℹ️ 关于我们
⭐ 虫虫下载站
🔐 登录 📝 注册
虫虫下载站
虫虫下载站
专业电子工程师资源平台
📤 上传资源
  • 🏠 首页
  • 📦 资源下载
  • 📁 资源专辑
  • 🔧 热门软件
  • ⭐ 精品资源
  • 🎓 基础知识
  • 📐 电路图
  • 📚 电子书
  • 🔢 在线计算器
  • 🔍 代码搜索
🏠 首页 › 📐 电路图 › 功放电路

📐 功放电路

📊 共 1879 个电路图 🎨 设计参考
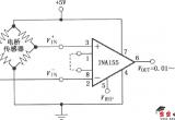
由INA155构成的电阻电桥放大电路电路图

由INA155构成的电阻电桥放大电路

📅 01-01 查看 →
XG404C构成的幅度稳定失真率低的功率信号发生器电路图

XG404C构成的幅度稳定失真率低的功率信号发生器

📅 01-01 查看 →
采用运算放大器的晶体振荡器电路电路图

采用运算放大器的晶体振荡器电路

📅 01-01 查看 →
运算放大器在信号发生器中的应用电路电路图

运算放大器在信号发生器中的应用电路

📅 01-01 查看 →
采用运算放大器的延时电路电路图

采用运算放大器的延时电路

📅 01-01 查看 →
利用运算放大器作差分放大器的温度测量电路电路图

利用运算放大器作差分放大器的温度测量电路

📅 01-01 查看 →
钟控定时启动迷惑性防盗声光控制电路电路图

钟控定时启动迷惑性防盗声光控制电路

📅 01-01 查看 →
伴有蟋蟀叫声的自然风电扇控制电路电路图

伴有蟋蟀叫声的自然风电扇控制电路

📅 01-01 查看 →
5G0401声控同步闪光伴迪斯科鼓点乐电路电路图

5G0401声控同步闪光伴迪斯科鼓点乐电路

📅 01-01 查看 →
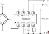
桥式传感器信号放大器AD22055的典型应用电路电路图

桥式传感器信号放大器AD22055的典型应用电路

📅 01-01 查看 →
智能化超声波测距专用集成电路SB5227外围电路设计电路图

智能化超声波测距专用集成电路SB5227外围电路设计

📅 01-01 查看 →
400HZ发光二极警与运算放大器联用的正弦波电路电路图

400HZ发光二极警与运算放大器联用的正弦波电路

📅 01-01 查看 →
用低噪声放大器的红外检波电路电路图

用低噪声放大器的红外检波电路

📅 01-01 查看 →
激光电话电路原理图电路图

激光电话电路原理图

📅 01-01 查看 →
对于50HZ有抑制作用的光放大器电路电路图

对于50HZ有抑制作用的光放大器电路

📅 01-01 查看 →
低照度放大电路电路图

低照度放大电路

📅 01-01 查看 →
低频测量用交沉的置放大器电路电路图

低频测量用交沉的置放大器电路

📅 01-01 查看 →
宽带VHF信号放大电路电路图

宽带VHF信号放大电路

📅 01-01 查看 →
托勒斯全频道天线放大电路改进型电路图

托勒斯全频道天线放大电路改进型

📅 01-01 查看 →
ATR01610典型应用电路(基于ATR0610的GPS接收机低噪声放大电路)电路图

ATR01610典型应用电路(基于ATR0610的GPS接收机低噪声放大电路)

📅 01-01 查看 →
RF2942 I/Q 915 MHz发射器电路图

RF2942 I/Q 915 MHz发射器

📅 01-01 查看 →
6瓦FM功率放大器电路电路图

6瓦FM功率放大器电路

📅 01-01 查看 →
5W射频末级放大器电路图

5W射频末级放大器

📅 01-01 查看 →
带寻台停止信号的调频中频放大器和解调器电路电路图

带寻台停止信号的调频中频放大器和解调器电路

📅 01-01 查看 →
红外遥控红外前置放大器电路电路图

红外遥控红外前置放大器电路

📅 01-01 查看 →
电力载波放大电路电路图

电力载波放大电路

📅 01-01 查看 →
SJ04C的放大与整形电路电路图

SJ04C的放大与整形电路

📅 01-01 查看 →
CSJ-T300A/CSJ-R02A与单片机组成的电路电路图

CSJ-T300A/CSJ-R02A与单片机组成的电路

📅 01-01 查看 →
3310改期600功放图电路图

3310改期600功放图

📅 01-01 查看 →
V70功放代换图电路图

V70功放代换图

📅 01-01 查看 →
  • 首页
  • « 上一页
  • 1
  • 2
  • 3
  • 4
  • 5
  • 6
  • 7
  • 8
  • 9
  • 10
  • 下一页 »
  • 末页
🔐 用户登录
加载中...

加载登录表单中...

🎁 免费注册送10积分
加载中...

加载注册表单中...

🔑 找回密码
加载中...

加载表单中...

🔐 需要登录
🔒

登录后即可使用!

🎁 新用户注册立即送10积分
积分可用于下载资源,免费获取优质技术资料
🚪 退出登录
👋

确认要退出登录吗?

退出后需要重新登录才能下载资源

关于虫虫

虫虫下载站是专业的电子工程师资源分享平台,汇聚 622,478+ 优质资源,为工程师提供免费、专业的技术资料。

🌐

快速链接

  • 📦 资源下载
  • 📁 资源专辑
  • 📐 电路图库
  • 📚 电子书籍
  • 🧮 在线计算器

帮助中心

  • 📋 服务条款
  • ℹ️ 关于我们
  • ⚠️ 免责声明
  • 🗺️ 网站地图

联系我们

扫码关注我们

虫虫下载站二维码

虫虫小帮手

© 2011-2025 虫虫下载站 - 专业的电子工程师资源分享平台 | 让技术资源触手可及

京ICP备2021023401号-1