钟控定时启动迷惑性防盗声光控制电路

📅 发布时间:2013-10-02 22:15 👁️ 浏览:0 🏷️ 标签: 钟控定时 声光控制 电路 防盗

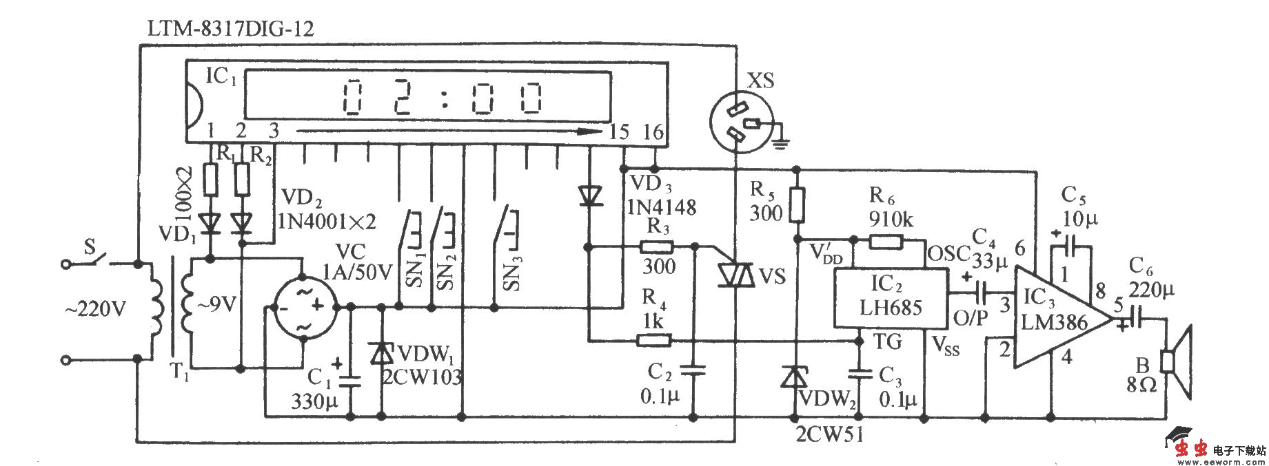
钟控定时启动迷惑性防盗声光控制电路

电路如图所示。它由钟控定时电路、可控硅控制电路、语音发声电路、音频功放电路和交流降压整流电路等组成。该电路用于夜间无人值守的文物展厅、庙宇、经堂等场合。当值班人员下午下班前,预置好钟控时间,如清晨2点整。当设置的时间一到,则电路就会自动将室内电灯点亮,并发出语声,制造出一个有人值守的假象,迷惑行窃者,使作案者不敢贸然行动。

觉得这篇文章有帮助吗?