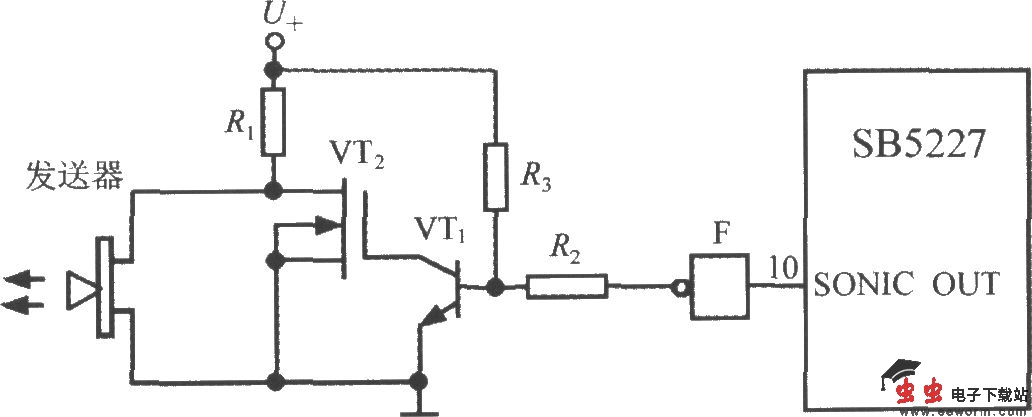
SB5227输出的超声波信号很微弱,必须通过功率放大器才能驱动发送器。一种典型的发送电路如图所示。从SB5227第10脚输出的超声波信号,经过缓冲器F和功率放大器(VT1、VT2)驱动发送器。VT1采用小功率晶体管,VT2可选功率场效应管。

利用变压器来驱动发送器:

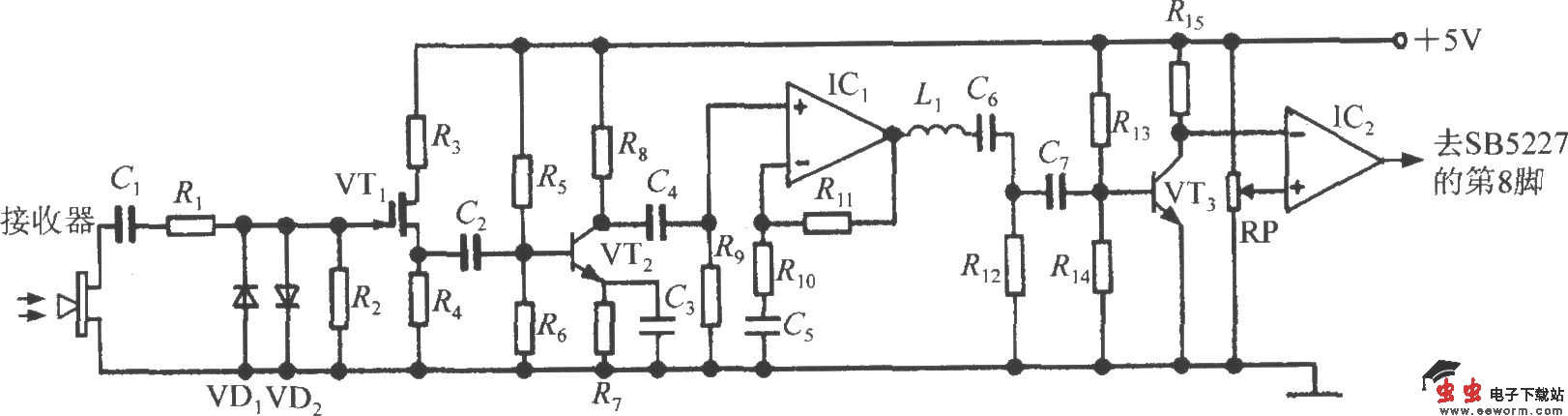
接收电路:

该接收电路主要包括以下6部分:输入保护电路(C1、R1、VD1和VD2);阻抗匹配及电流放大器(VT1);两级电压放大器(VT2、IC1);带通滤波器(L1、C6);输出级放大器(VT3);电压比较器(IC2)。C1为隔直电容,R1为限流电阻。VD1和VD2构成双向限幅过压保护电路。VT1需采用J型场效应管,VT2与VT3选用小功率晶体管。IC1为TL061型单运放,IC2为四路电压比较器LM339(现仅用其中一路)。带通滤波器中的中心频率应与接收器的中心频率相同。调节电位器RP可改变接收灵敏度,提高抗干扰能力。常态下IC2输出高电平,当接收到超声波脉冲串的第一个上升沿时就输出低电平,送至SB5227的第8脚,使内部定时器停止计数。对技术条件要求较高的接收电路,还可增加自动增益控制(AGC)、窗口自动搜索等电路。