RF2942 I/Q 915 MHz发射器

📅 发布时间:2013-09-29 12:35 👁️ 浏览:1 🏷️ 标签: 2942 915 MHz RF

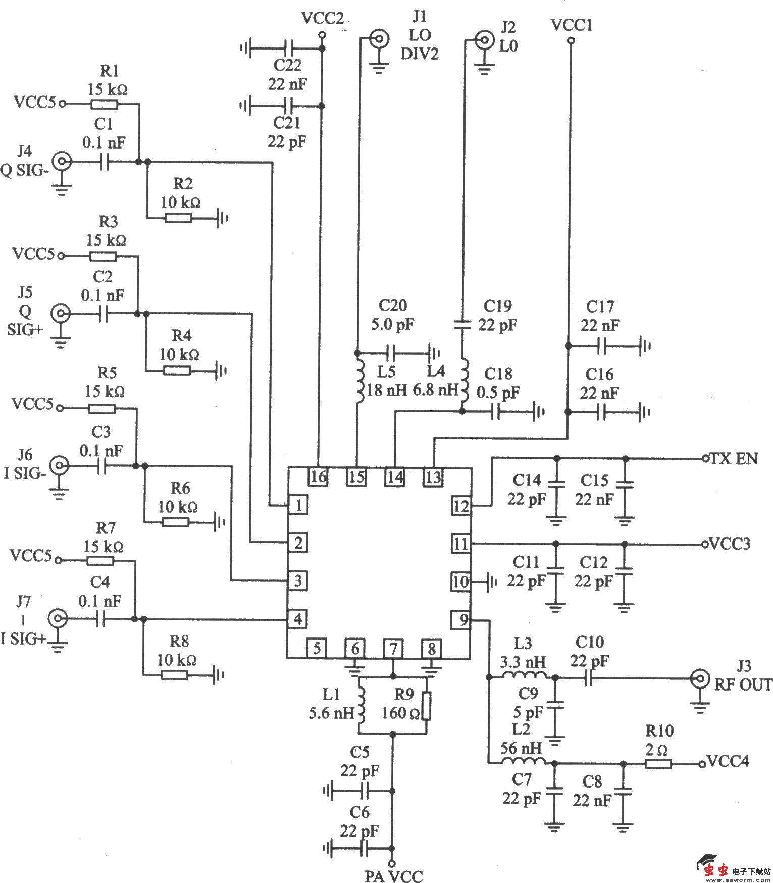
RF2942是一个具有正交调制器和功率放大器的发射器,可应用于915 MH ISM将RF产品、数字通信和便携式移动设备中。 主要技术特点如下: l ·工作频率为902--928 MHz: ·工作电压为2.0~3.6 V。 ·工作电流为l70~260 mA,待机电流为l0~24 mA: ·输出功率为200 mW; ·本机振荡频率两倍于RF频率,以避免外部合成器的干扰; ·本地振荡器的正交相位利用集成电路内部的无源网络产生; ·正交调制器由一个单端的本机振荡器(LO)驱动。

 

RF2942的应用电路

觉得这篇文章有帮助吗?