伴有蟋蟀叫声的自然风电扇控制电路

📅 发布时间:2013-10-02 05:05 👁️ 浏览:1 🏷️ 标签: 风电 控制电路

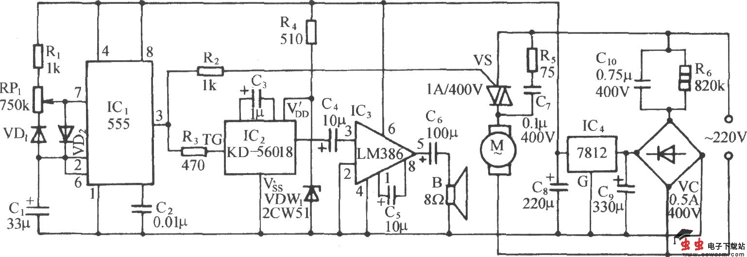
伴有蟋蟀叫声的自然风电扇控制电路

电路如图所示。它包括多谐振荡电路,可控硅控制电路、语音发声电路、音频功放电路和交流降压整流电路等。它能使电风扇发出与自然风相似的时大时小的柔和风力,并伴有秋意的蟋蟀的呜叫声。时基电路555和R1,RP1,VD1,VD2,C2等组成一个占空比可调的低频多谐振荡器,其振荡频率为:

伴有蟋蟀叫声的自然风电扇控制电路 

觉得这篇文章有帮助吗?