INA131精密仪表放大器

📅 发布时间:2013-10-06 14:20 👁️ 浏览:1 🏷️ 标签: INA 131 精密仪表 放大器

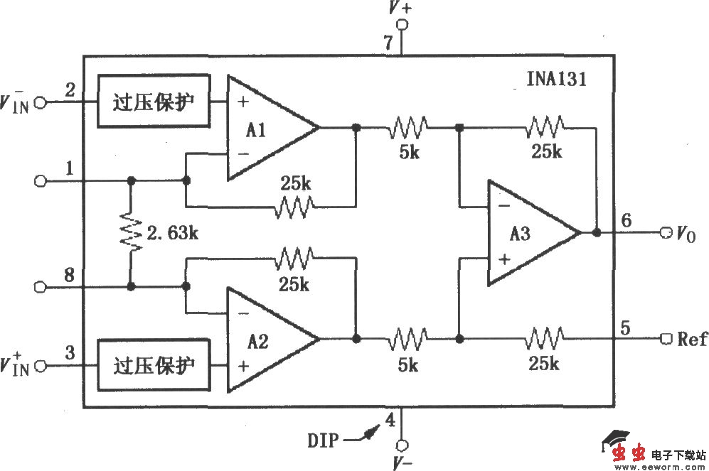
INA131是低价格精密通用型仪表放大器,内部采用通用的3个运放和小尺寸设计。INA131激光校正电阻精确设定增益为100,内部输入保护使其能够经受±40V电压而不会损坏。INA131采用8脚塑封DIP,SOL-16表面封装,其引脚排列如图所示。

INA131精密仪表放大器 内部框图:

INA131精密仪表放大器 

觉得这篇文章有帮助吗?