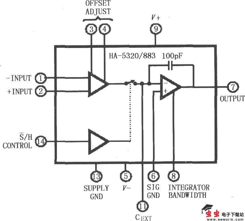
HA5320/883设计用于高速精密数据采集系统,包括一个能够提供大充电电流的输入跨导放大器、一个低漏电电流模拟开关和一个输出集成放大器。模拟开关将其负载视为虚地,因此在整个输入/输出电压范围内电荷以常数注入保持电容,即对保持电容恒流充电。调节输入端失调电压可以调节由于电荷的注入产生的本底电压,使其调整为零。该器件包含保持电容。如果需要改进下降率,必须加大采样时间,以及增加外部保持电容。HA5320/883采用硅间非传导性隔离T艺、最小偏差电容和消除取样控制寄存器处理,允许较高速和无闭锁工作。HA5320/883的引脚排列如图所示。

内部框图: