
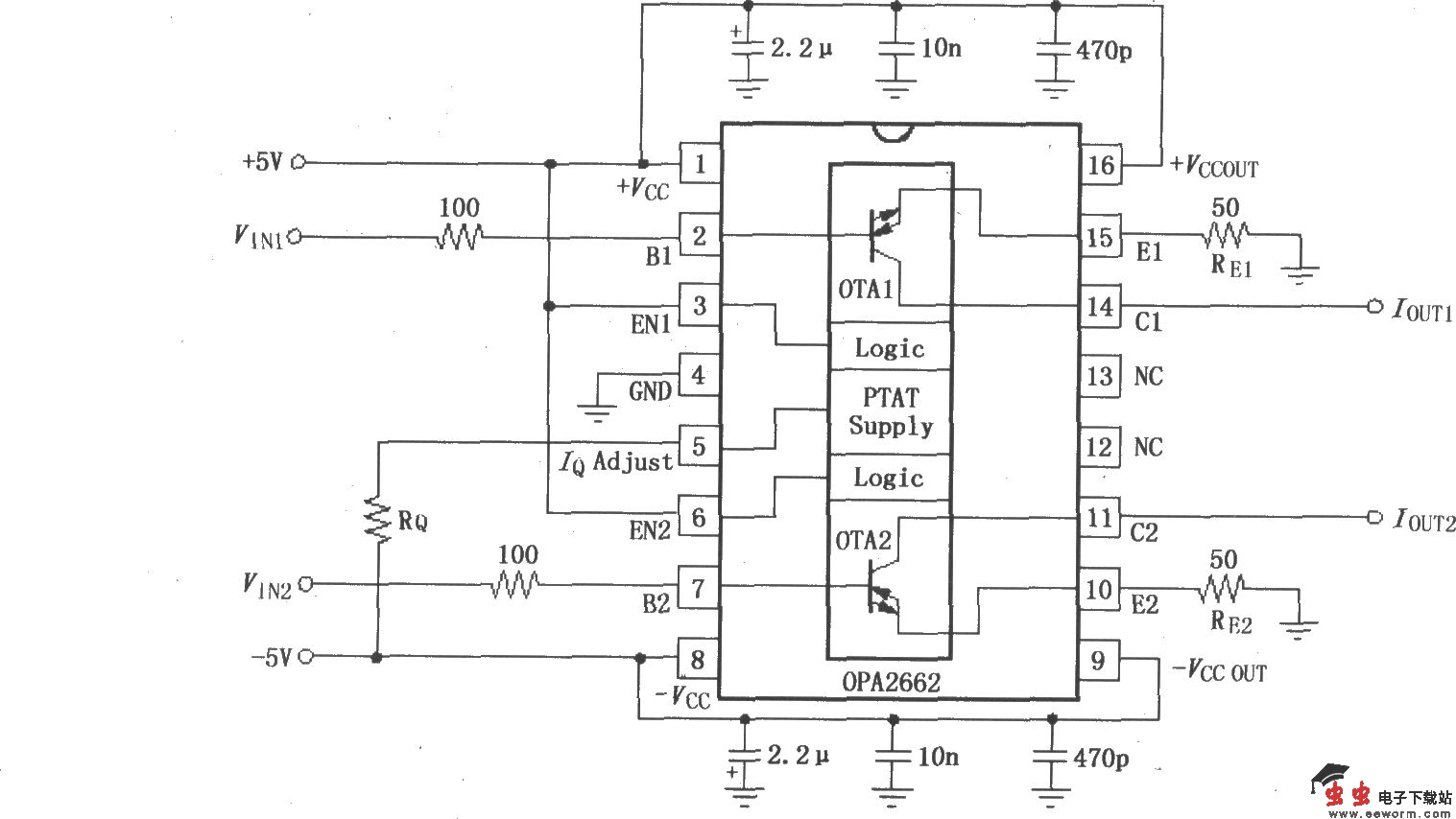
如图所示为OPA2662的信号和电源的基本连接电路。该电路为双跨导运放OPA2662标准工作连接电路,信号分别由2脚与7脚输入,放大后由14脚和11脚输出电流。电源端要用旁路电容滤波,最好采用固体钽电容作为滤波电容,且设计PCB板时应尽可能使滤波电容靠近电源端。使能端EN1、EN2分别控制内部OTA的压控电流源工作或关断,从而控制输出电流。使能端EN1、EN2电平兼容TTL电平,高电平时压控电流源工作,低电平时压控电流源关断。利用EN使能端可以使OPA2662应用于多路复用技术中,如多路分配电路。RQ约为750Ω,IQ=±17mA。